<img height="1" width="1" style="display:none;" alt="" src="https://px.ads.linkedin.com/collect/?pid=7483292&amp;fmt=gif">
Products
Products
Back to Main

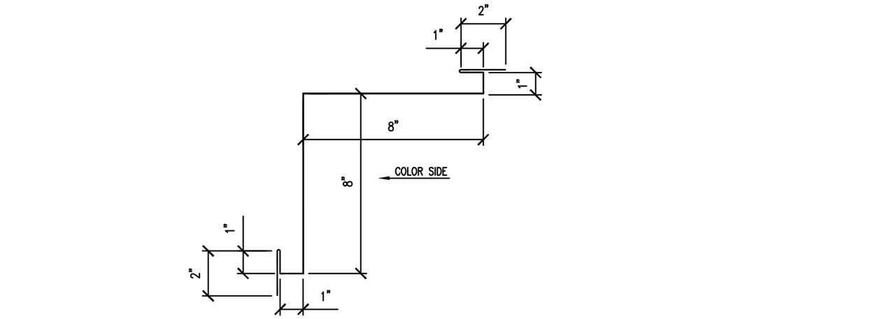
Part #WS-520 Custom Inside Corner

T-8 Plankwall Trim and Flashing

Find out what your product would look like.

Plankwall Trim and Flashing

Part #WS-520 Custom Inside Corner

Metal trim and flashing is used to prevent the passage of water into a structure from a joint or as part of a weather resistant barrier (WRB) system. Used for roofing and siding applications. Trim and flashing is available in a wide variety of colors and finishes to match your roof and siding materials.

More About Custom Inside Corner

If you have a gutter that is longer about twenty feet then you will have to overlap the gutter with a gutter splice to join the two gutter sections together. It's a simple installation that requires a small piece of gutter splice to be installed where the two pieces of gutter meet.

Related Products

ADDITIONAL ITEMS YOU MAY NEED...

How To Install Metal Corner Trim

Corner Trim Installation Videos

Corner trim is the typically the last pieces of flashing that's installed for a metal siding job. If the panels are installed horizontally, then it will require foam closure strips. If it's installed vertically foam closure is not required.

Vertical Corner Trim Installation

Vertical Inside & Outside Corner Trim

Inside And Outside Corner Trim Installation For Corrugated Metal Siding And Wall Panels. Step By Step Metal Siding Installation Instructions

Do You Have Questions about metal roofing? We have the answers.

The Metal Roofing Learning Center

It's a great resource for contractors, architects, and homeowners.

Easy to navigate learning center with videos and blogs that will answer your questions.

  • Installation Videos
  • Panel Comparisons
  • Cost
  • Much More

Visit Now

metal-roofing-learning-center-02
More Resources

Articles & Videos To Help You With Your Installation

Are you planning to install your own metal roofing or metal siding? If so, you may want to read and watch these articles. We're sure you will find them useful and help you save time and money. 

Let your imagination run wild!

COLOR & PRODUCT VISUALIZER

Choose Different Textures, Colors, Finishes, and Panel Types On Your Home Before You Decide.