HOMEOWNERS: 750 sq. ft. minimum to receive a quote or sample.
Metal trim and flashing is used to prevent the passage of water into a structure from a joint or as part of a weather resistant barrier (WRB) system. Used for roofing and siding applications. Trim and flashing is available in a wide variety of colors and finishes to match your roof and siding materials.
If you have a gutter that is longer about twenty feet then you will have to overlap the gutter with a gutter splice to join the two gutter sections together. It's a simple installation that requires a small piece of gutter splice to be installed where the two pieces of gutter meet.
All metal roofs need roofing underlayment. Synthetic underlayment provides an extra barrier of protection from water penetration and will protect your home from the elements. Learn about the differences between Sharkskin Comp, Ultra, and Ultra SA.
C purlins, Z purlins, and channel are available in a galvanized or primed red finish. Purlins and channel from 4” up to 12” deep. Immediately available in a 14 gauge metal thickness. Heavier and lighter gauges are available upon request.
Metal roofing fasteners, foam closures, fiberglass panels, trim and flashings, snow retention systems, galvanized square tube, rubber pipe boots, butyl sealant tape, ridge vent, solar solutions, more…..
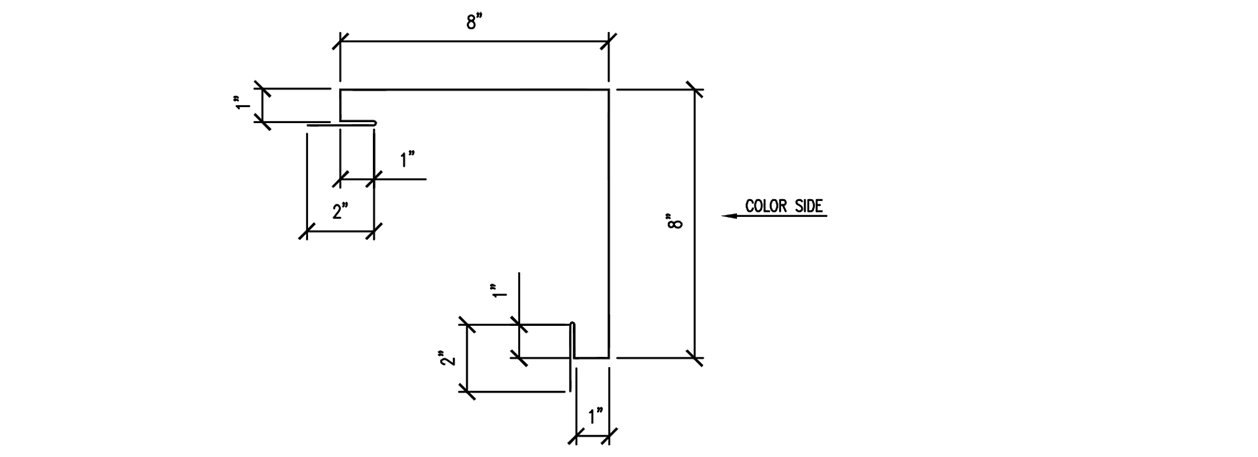
Corner trim is the typically the last pieces of flashing that's installed for a metal siding job. If the panels are installed horizontally, then it will require foam closure strips. If it's installed vertically foam closure is not required.
It's a great resource for contractors, architects, and homeowners.
Easy to navigate learning center with videos and blogs that will answer your questions.
Are you planning to install your own metal roofing or metal siding? If so, you may want to read and watch these articles. We're sure you will find them useful and help you save time and money.
T-8 PlankWall® in Distressed Wood® is metal siding and soffit panel that is designed to look like old reclaimed wood. Reclaimed lumber is wood ...
Are you looking for a natural look for your home? Wood siding has a classic aesthetic that is often used in architecture. However, maintaining real wood can be...
Interested in metal panels that look like walnut wood? We compare three types of metal panels: T-8 Plankwall®, Longboard, and Fabral on factors ...
Choose Different Textures, Colors, Finishes, and Panel Types On Your Home Before You Decide.