<img height="1" width="1" style="display:none;" alt="" src="https://px.ads.linkedin.com/collect/?pid=7483292&amp;fmt=gif">
Products
Products
Back to Main

Base Trim - # WS-614/617

Wainscoting Transition - Western Wave® To Western Rib® - Vertical Installation

Detail #WP-WSD-W24

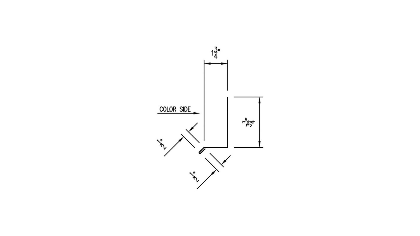
WS-617 Base Trim Dimensions

You will need both types of base trim for detail # WP-WSD-W24. 1 Piece Of WS-614 & WS-617

Click To Enlarge

WS-614 Base Trim Dimensions

You will need both types of base trim for detail # WP-WSD-W24. 1 Piece Of WS-614 & WS-617

Click To Enlarge

WS-613 Alternate Wall Trim Dimensions

You will need 10' of alternate wall trim

CLICK TO ENLARGE

WAINSCOTING TRANSITION DETAIL - VERTICAL INSTALLATION - PARTS LIST

This parts list is designed to help you calculate the quantity of accessories that you’ll need for your trim installation. It has all of the accessories that are needed to install 1 full piece of trim, which is 120" long. To calculate the total number of accessories you will need for your job, simply take the number of trim pieces associated with the trim part purchased and multiply the list by that number for a total for your project.

COMPONENTS LIST

  • 1 Piece Base Trim - WS-617
  • 1 Piece Base Trim - WS-614
  • 1 Piece Alternate Wall Trim - WS-613
  • 20 Pancake Head Screws (#10X1") NO Washer
    Verify Metal To Wood
  • 10 Rivets
  • 4 Pieces Of Inside Foam Closures
  • 4 Pieces Of Outside Foam Closures
  • 1/4 Tube Of Silicone Sealant
Just in case you forgot

ADDITIONAL ITEMS YOU MAY NEED...