<img height="1" width="1" style="display:none;" alt="" src="https://px.ads.linkedin.com/collect/?pid=7483292&amp;fmt=gif">
Products
Products
Back to Main

LOOKING FOR METAL SIDING INSTALLATION VIDEOS?

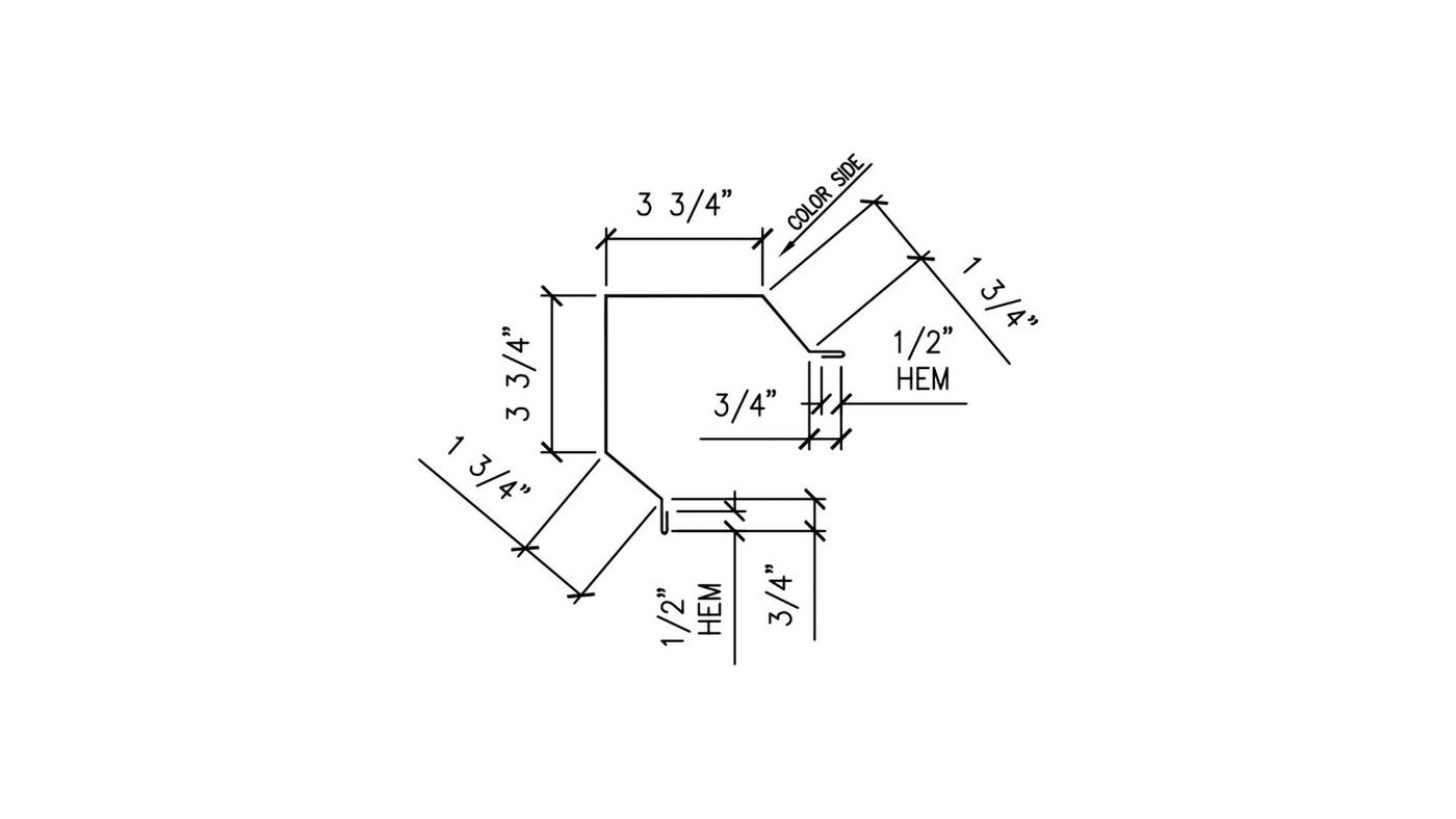
Outside Corner Trim For Western Rib® (7.2 Panel)

Outside Corner - Part #WS-312

Outside corner trim is used when two metal panels intersect at the outside corner of a wall. Corner trim creates a finished look and prevents water penetration. It's typically the last piece of metal flashing that's installed on a metal siding installation.

WS-312 - PARTS LIST

This parts list is designed to help you calculate the quantity of accessories that you’ll need for your trim installation. It has all of the accessories that are needed to install 1 full piece of trim, which is 120" long. To calculate the total number of accessories you will need for your job, simply take the number of trim pieces associated with the trim part purchased and multiply the list by that number for a total for your project.

COMPONENTS LIST

  • 1 Piece Outside Corner Trim - WS-312
  • 20 Lap Screws (Metal to Metal) With Sealant Washer
  • 20 Linear Feet Of Double Sided Butyl Tape

If the metal panels are installed horizontally you will also need:

  • 20 Linear Feet Of Outside Foam Closures
  • An Additional 20 Linear Feet Of Double Sided Butyl Tape
How To Install Metal Corner Trim

Corner Trim Installation Videos

Corner trim is the typically the last pieces of flashing that's installed for a metal siding job. If the panels are installed horizontally, then it will require foam closure strips. If it's installed vertically foam closure is not required.

Vertical Corner Trim Installation

Vertical Inside & Outside Corner Trim

Inside And Outside Corner Trim Installation For Corrugated Metal Siding And Wall Panels. Step By Step Metal Siding Installation Instructions

Just in case you forgot

ADDITIONAL ITEMS YOU MAY NEED...