<img height="1" width="1" style="display:none;" alt="" src="https://px.ads.linkedin.com/collect/?pid=7483292&amp;fmt=gif">
Products
Products
Back to Main

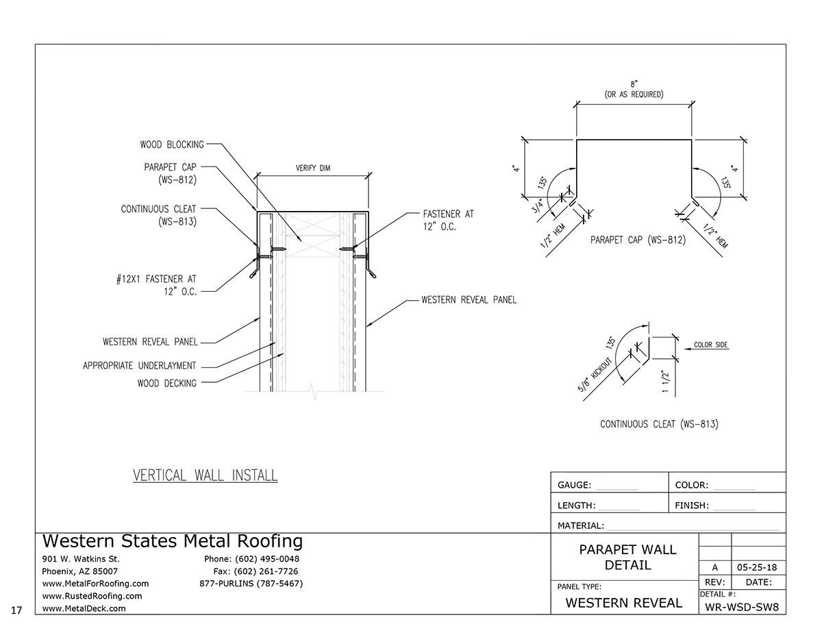
Metal Parapet Cap - # WS-812

Parapet Wall Cap - Vertical Installation

Detail WR-WSD-W8

A metal parapet cap is used when you have a wall that has metal panels on both sides of the wall. The parapet cap covers the wall and both ends of the metal panels. It creates a uniform look and prevents water intrusion.

This installation detail is for a vertical metal wall panel only. It should not be used for horizontal metal wall panels.

PARAPET WALL DETAIL - VERTICAL INSTALLATION - PARTS LIST

This parts list is designed to help you calculate the quantity of accessories that you’ll need for your trim installation. It has all of the accessories that are needed to install 1 full piece of trim, which is 120" long. To calculate the total number of accessories you will need for your job, simply take the number of trim pieces associated with the trim part purchased and multiply the list by that number for a total for your project.

COMPONENTS LIST

  • 1 Piece Parapet Cap Flashing - WS-812
  • 2 Pieces Trim Cleat - WS-813
  • 20 Pancake Head Screws (#10X1") NO Washer
    Verify Metal To Wood
HORIZONTAL METAL WALL PANEL INSTALLATION

How To Install Parapet Cap

Step by step video that covers installing parapet cap on a flush metal wall panel. The video shows the metal wall panels being installed horizontally. 

The installation of the parapet cap for a vertical panel installation has some differences, but this video will still be helpful. We recommend that you look at the written vertical installation detail prior to watching the video.

Just in case you forgot

ADDITIONAL ITEMS YOU MAY NEED...