<img height="1" width="1" style="display:none;" alt="" src="https://px.ads.linkedin.com/collect/?pid=7483292&amp;fmt=gif">
Products
Products
Back to Main

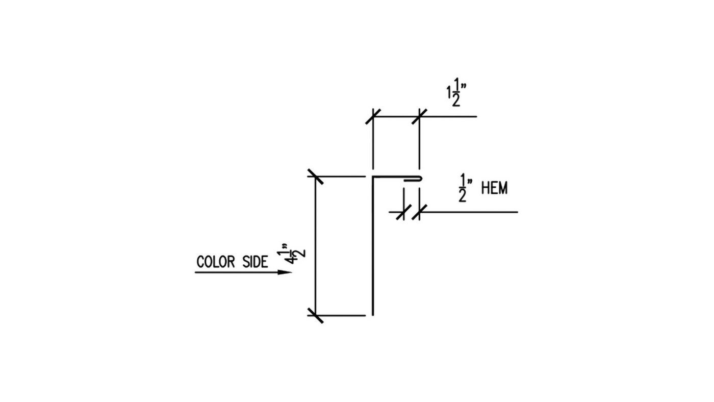
Sill Trim - # WS-811

Window/Door Sill Trim - Vertical Installation

Detail #WR-WSD-W13

Sill trim will be installed along the bottom of a window or door opening. This installation detail is different when the panels are installed horizontally versus vertically. This installation detail is for a vertical wall panel only.

SILL TRIM DETAIL - VERTICAL INSTALLATION - PARTS LIST

This parts list is designed to help you calculate the quantity of accessories that you’ll need for your trim installation. It has all of the accessories that are needed to install 1 full piece of trim, which is 120" long. To calculate the total number of accessories you will need for your job, simply take the number of trim pieces associated with the trim part purchased and multiply the list by that number for a total for your project.

COMPONENTS LIST

  • 1 Piece Sill Trim - WS-811
  • 10 Pancake Head Screws (#10X1") NO Washer
    Verify Metal To Wood
  • 10 Rivets
  • 1 Tube Of Butyl Sealant
Just in case you forgot

ADDITIONAL ITEMS YOU MAY NEED...