<img height="1" width="1" style="display:none;" alt="" src="https://px.ads.linkedin.com/collect/?pid=7483292&amp;fmt=gif">
Products
Products
Back to Main

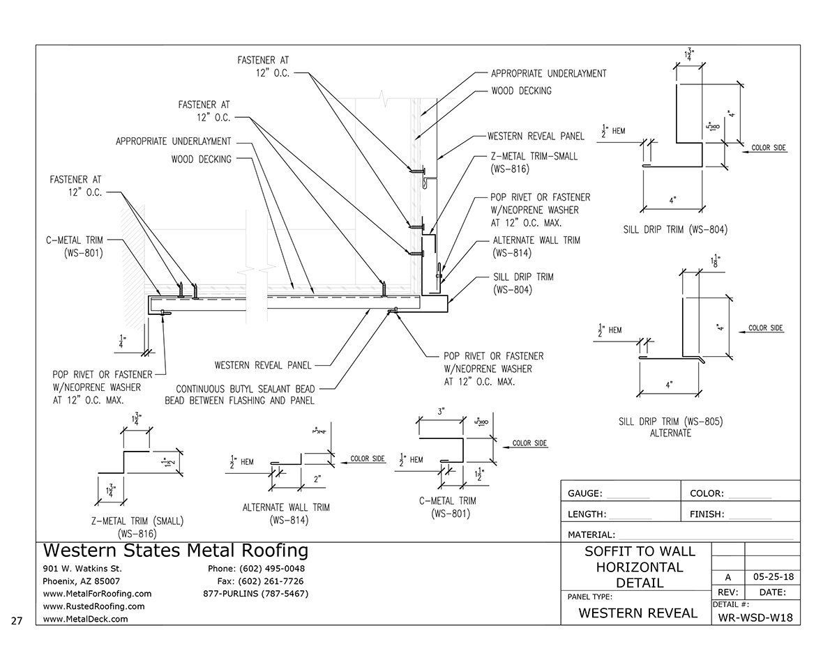
Sill Trim For T-Groove Metal Wall Panels

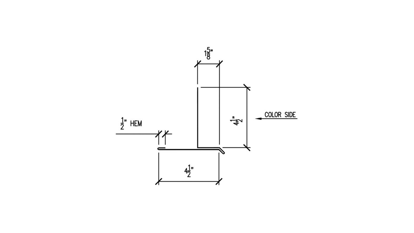
Alternate Sill Trim - Part # WS-805

This flashing is used when flashing a vertical wall to a soffit or a horizontal wall to soffit.

 

 

Just in case you forgot

ADDITIONAL ITEMS YOU MAY NEED...