<img height="1" width="1" style="display:none;" alt="" src="https://px.ads.linkedin.com/collect/?pid=7483292&amp;fmt=gif">
Products
Products
Back to Main

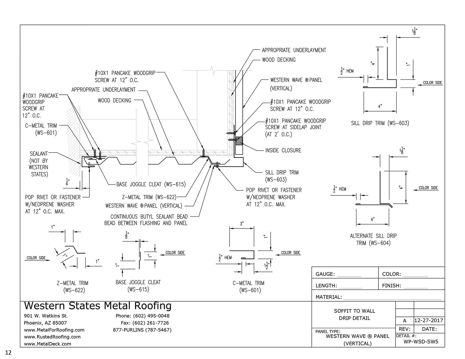
Soffit To Vertical Wall Installation

Detail # WP-WSD-SW5/W18

You will need to use this detail when you have vertical Western Wave® wall panels. This is the flashing that's used where the wall and soffit panels intersect. There are two sill flashings shown on this detail. Choose the one that has the most desirable aesthetic for your job as both will work equally well.

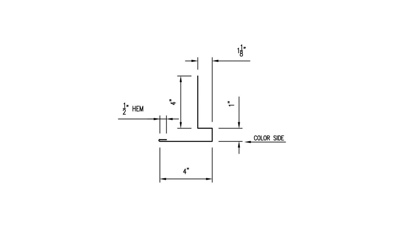
WS-603 Sill Trim Dimensions

Choose the type of sill trim that you prefer. Use either part # WS-603 0r WS-604

Click To Enlarge

WS-604 Alternate Sill Trim Dimensions

Choose the type of sill trim that you prefer. Use either part # WS-603 0r WS-604

Click To Enlarge

WS-601 C-Metal Trim Dimensions

For every 10' of sill trim, you will need 10' of C-Metal.

CLICK TO ENLARGE

WS-615 Base Joggle Cleat Dimensions

For every 10' of sill trim, you will need 10' of base joggle cleat.

Click To Enlarge

WS-622 Z-Metal Trim Dimensions

For every 10' of sill trim, you will need 10' of Z-Metal.

Click To Enlarge

SOFFIT TO VERTICAL WALL DETAIL - PARTS LIST

This parts list is designed to help you calculate the quantity of accessories that you’ll need for your trim installation. It has all of the accessories that are needed to install 1 full piece of trim, which is 120" long. To calculate the total number of accessories you will need for your job, simply take the number of trim pieces associated with the trim part purchased and multiply the list by that number for a total for your project.

COMPONENTS LIST

  • 1 Piece Sill Trim - WS-603 or 1 Piece Alternate Sill Trim - WS-604
    Choose One Only
  • 1 Piece C-Metal Trim - WS-601
  • 1 Piece Base Joggle Cleat - WS-615
  • 1 Piece Z-Metal Trim - WS-622
  • 40 Pancake Head Screws (#10X1") NO Washer
    Verify Metal To Wood
  • 20 Rivets
  • 4 Pieces Outside Foam Closures
  • 2 Tubes Of Butyl Sealant
Just in case you forgot

ADDITIONAL ITEMS YOU MAY NEED...