HOMEOWNERS: 750 sq. ft. minimum to receive a quote or sample.
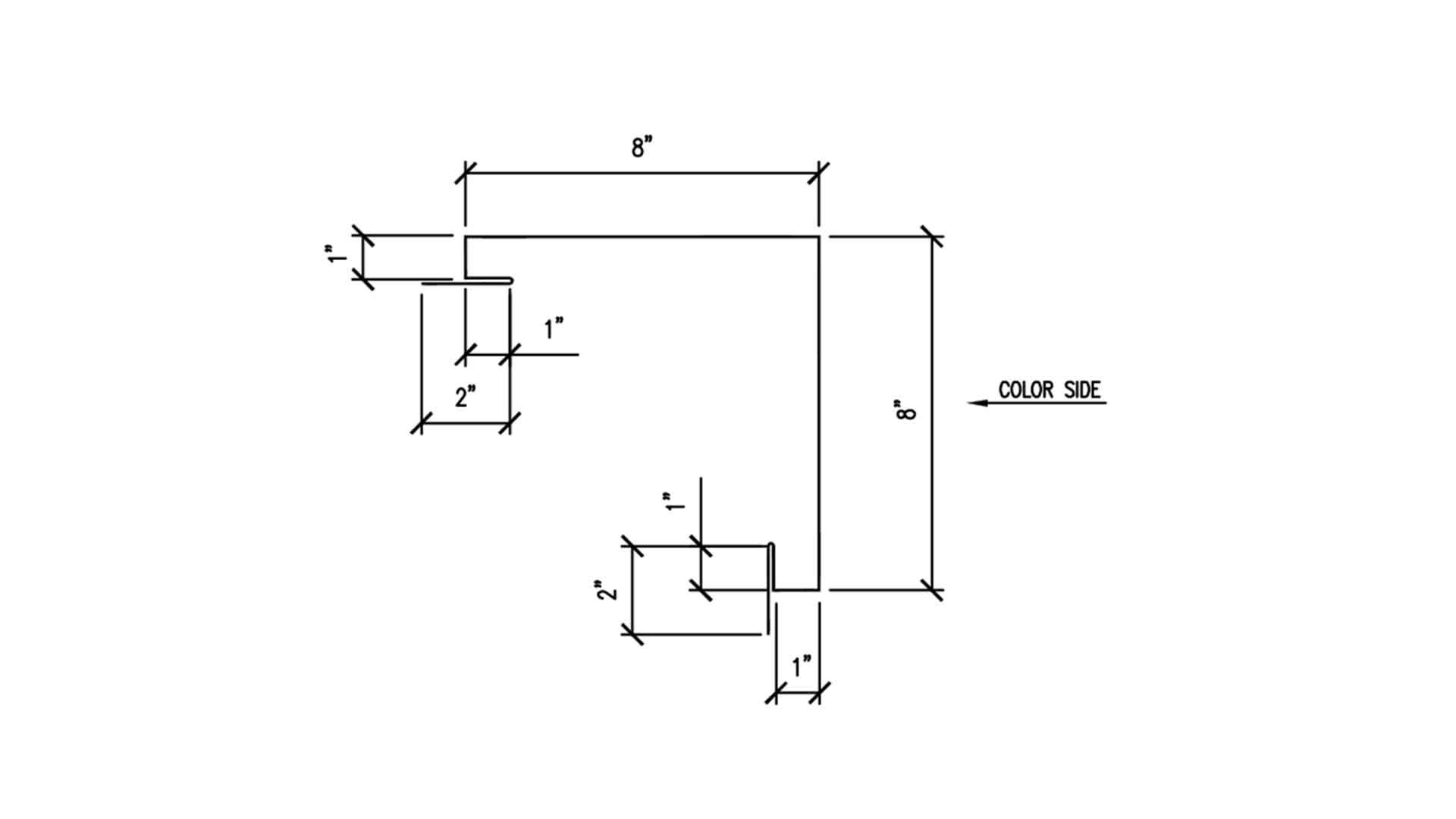
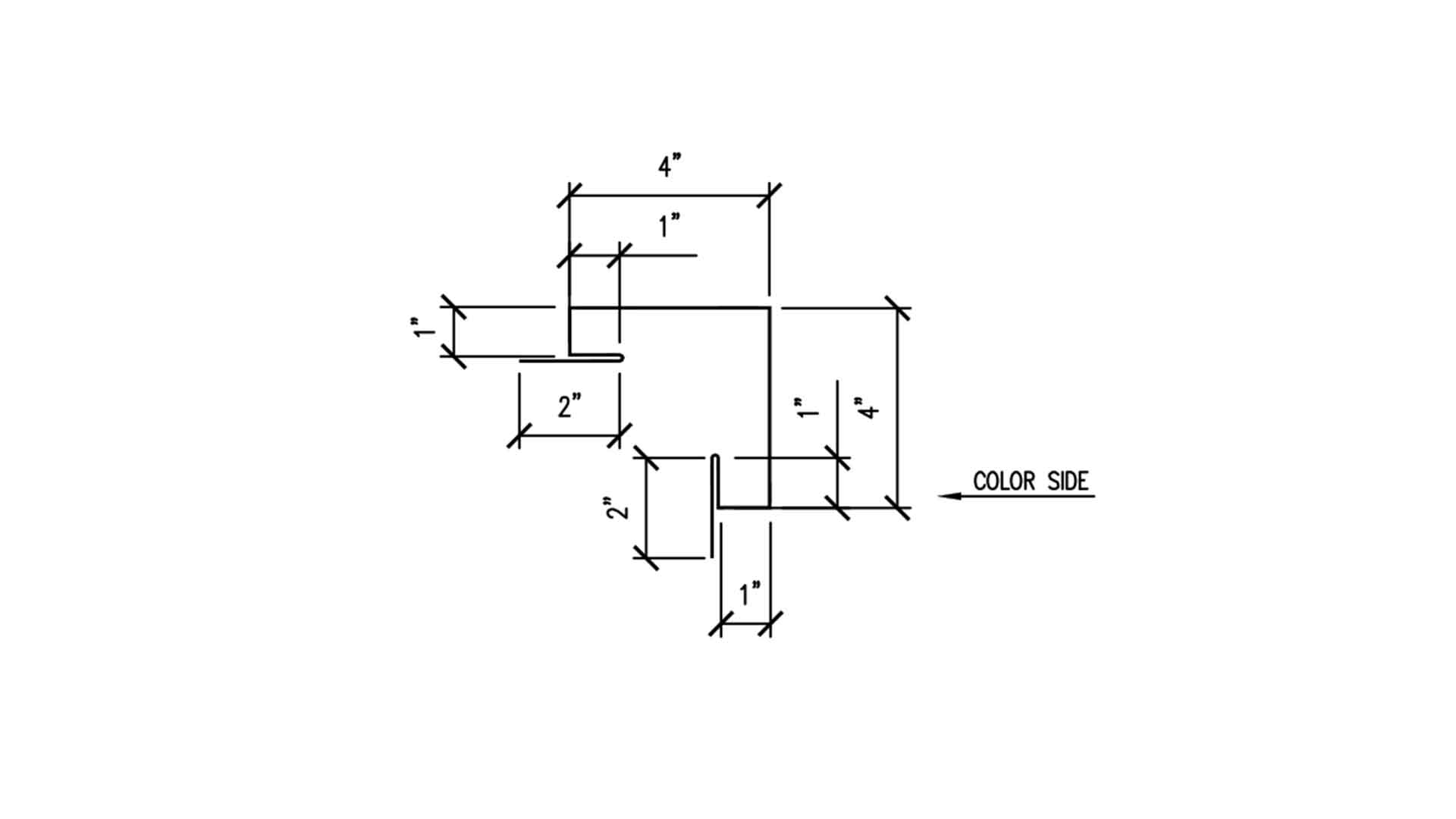
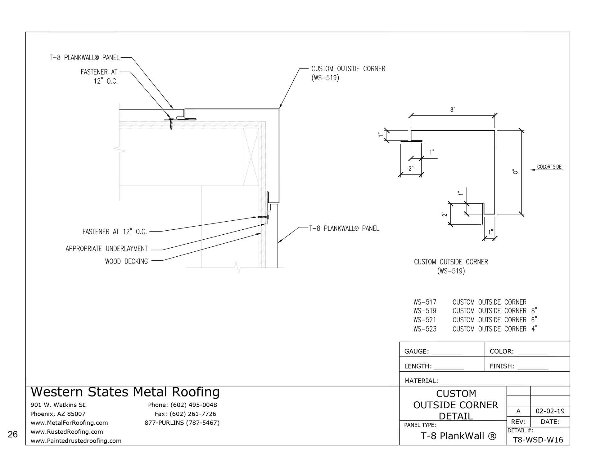
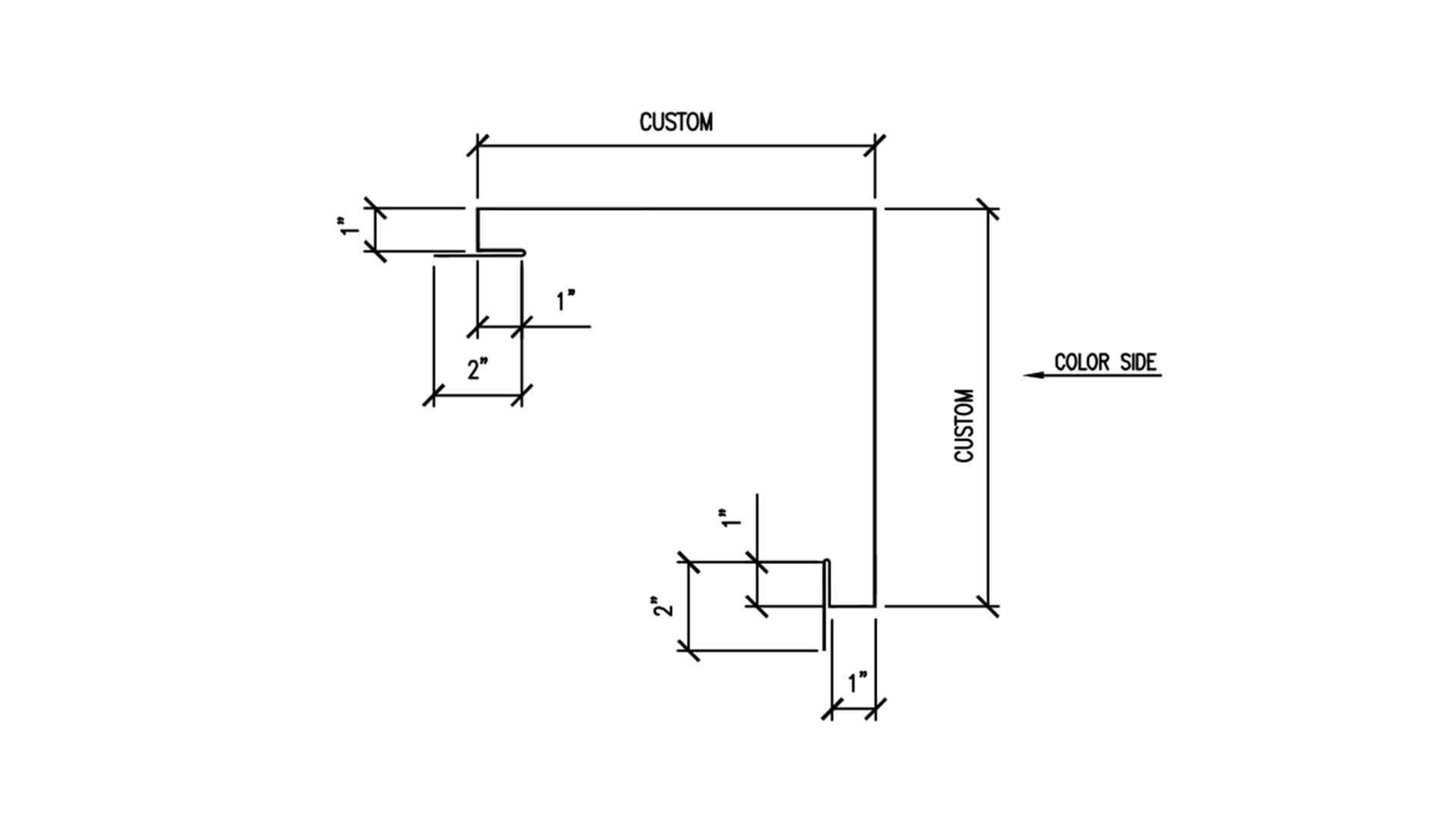
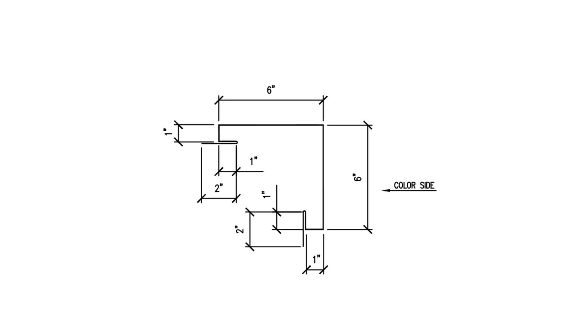
This is an extremely difficult corner piece to install. It should only be used by experienced professionals. This corner details requires you to measure and determine the correct measurement for each side of the corner trim. If you calculate wrong it will not fit.
The advantage of this detail is there aren't any seams or exposed rivets. This installation detail is for a vertical wall panel only.
There are four part numbers that will work with this detail. Choose One.
WS-517, Custom Sizes
WS-523, 4" X 4"
WS-521, 6" X 6"
WS-519, 8" X 8"
This parts list is designed to help you calculate the quantity of accessories that you’ll need for your trim installation. It has all of the accessories that are needed to install 1 full piece of trim, which is 120" long. To calculate the total number of accessories you will need for your job, simply take the number of trim pieces associated with the trim part purchased and multiply the list by that number for a total for your project.
Corner trim is the typically the last pieces of flashing that's installed for a metal siding job. If the panels are installed horizontally, then it will require foam closure strips. If it's installed vertically foam closure is not required.
 
                
                
              
              
              
              Fasteners for metal roofing and wall panels.
 
                
                
              
              
              
              