<img height="1" width="1" style="display:none;" alt="" src="https://px.ads.linkedin.com/collect/?pid=7483292&amp;fmt=gif">
Products
Products
Back to Main

Soffit To Vertical Wall Installation

Detail # TG-WSD-SW5

You will need to use this detail when you have horizontal metal wall panels and metal soffit panels. This is the flashing that's used where the two panels intersect. There are two sill flashings shown on this detail. Choose the one that has the most desirable aesthetic for your job as both will work equally well.

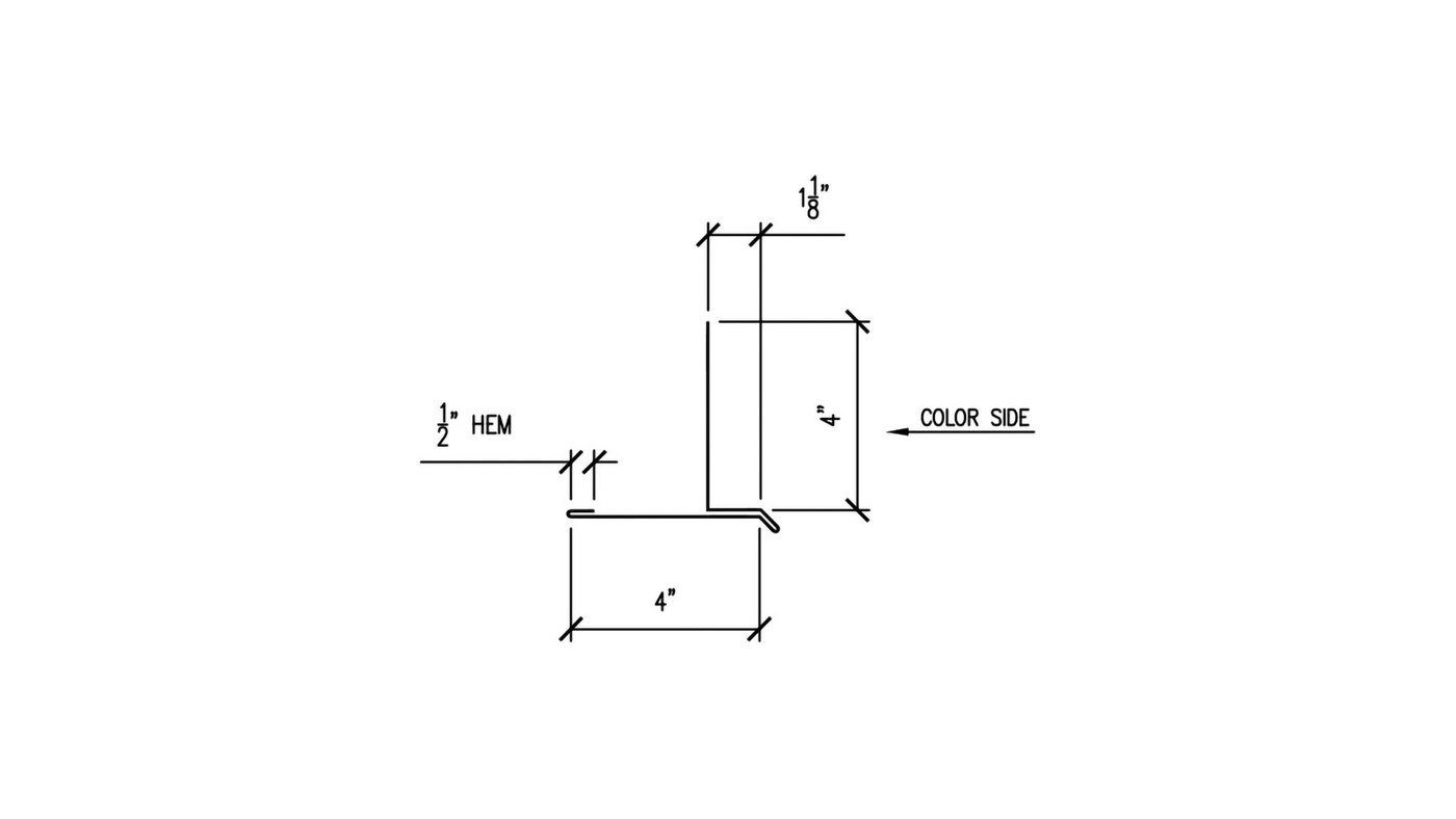
WS-504 Sill Trim Dimensions

Choose the type of sill trim that you prefer. Use either part # WS-504 0r WS-505

Click To Enlarge

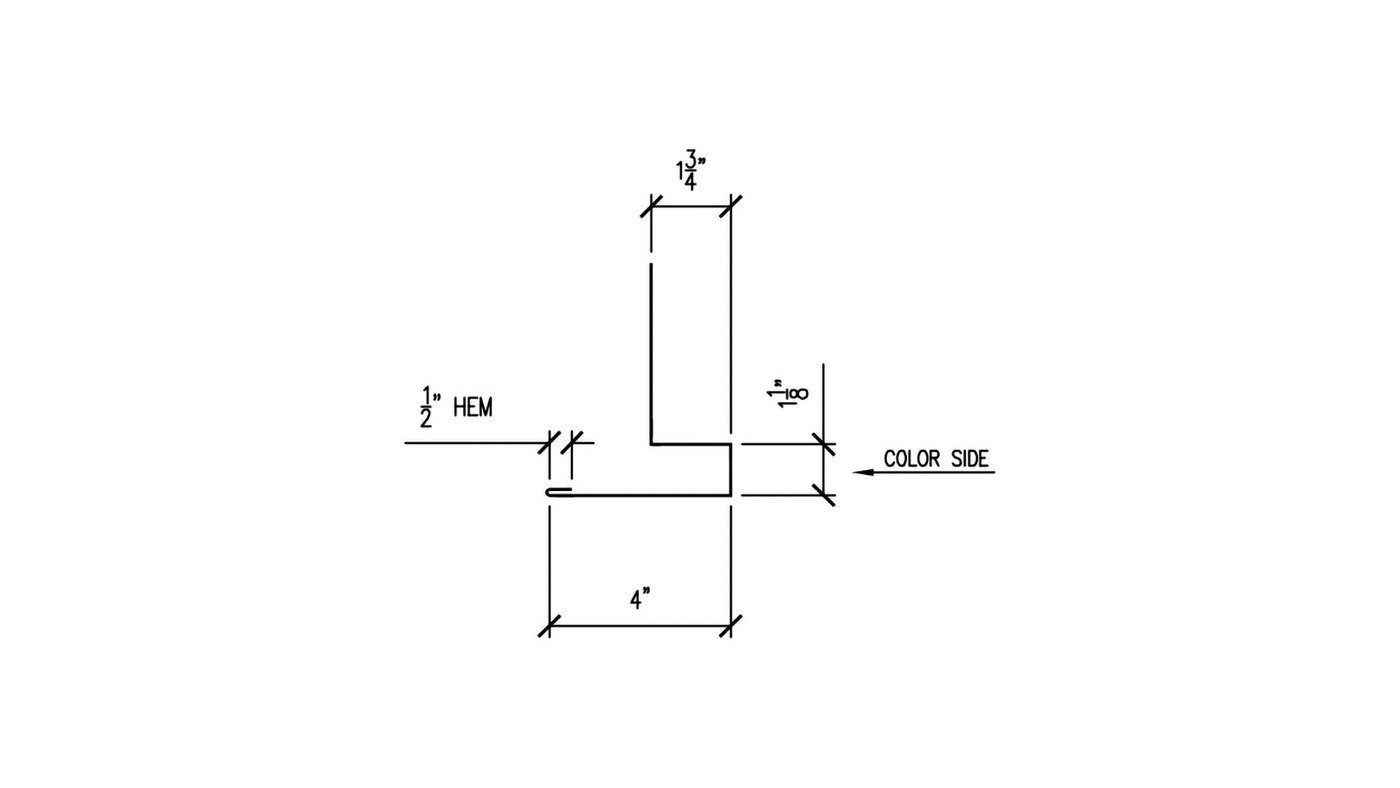
WS-505 Alternate Sill Trim Dimensions

Choose the type of sill trim that you prefer. Use either part # WS-504 0r WS-505

Click To Enlarge

WS-501 C-Metal Trim Dimensions

For every 10' of sill trim, you will need 10' of C-Metal.

CLICK TO ENLARGE

SOFFIT TO VERTICAL WALL DETAIL - PARTS LIST

This parts list is designed to help you calculate the quantity of accessories that you’ll need for your trim installation. It has all of the accessories that are needed to install 1 full piece of trim, which is 120" long. To calculate the total number of accessories you will need for your job, simply take the number of trim pieces associated with the trim part purchased and multiply the list by that number for a total for your project.

COMPONENTS LIST

  • 1 Piece Sill Trim - WS-504 or 1 Piece Alternate Sill Trim - WS-505
    Choose One Only
  • 1 Piece C-Metal Trim - WS-501
  • 20 Pancake Head Screws (#10X1") NO Washer
    Verify Metal To Wood
  • 20 Rivets
  • 2 Tubes Of Butyl Sealant
Just in case you forgot

ADDITIONAL ITEMS YOU MAY NEED...