<img height="1" width="1" style="display:none;" alt="" src="https://px.ads.linkedin.com/collect/?pid=7483292&amp;fmt=gif">
Products
Products
Back to Main

Sill Trim For T-Groove Metal Wall & Soffit Panels

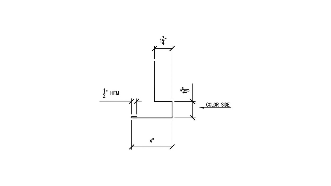
Metal Sill Trim - Part # WS-804

This flashing is used when flashing a vertical wall to a soffit or a horizontal wall to soffit.

 

 

WS-804 Sill Trim Dimensions

Choose the type of sill trim that you prefer. Use either part # WS-804 0r WS-805

Click To Enlarge

WS-801 C-Metal Trim Dimensions

For every 10' of sill trim, you will need 10' of C-Metal.

CLICK TO ENLARGE

Just in case you forgot

ADDITIONAL ITEMS YOU MAY NEED...