<img height="1" width="1" style="display:none;" alt="" src="https://px.ads.linkedin.com/collect/?pid=7483292&amp;fmt=gif">
Products
Products
Back to Main

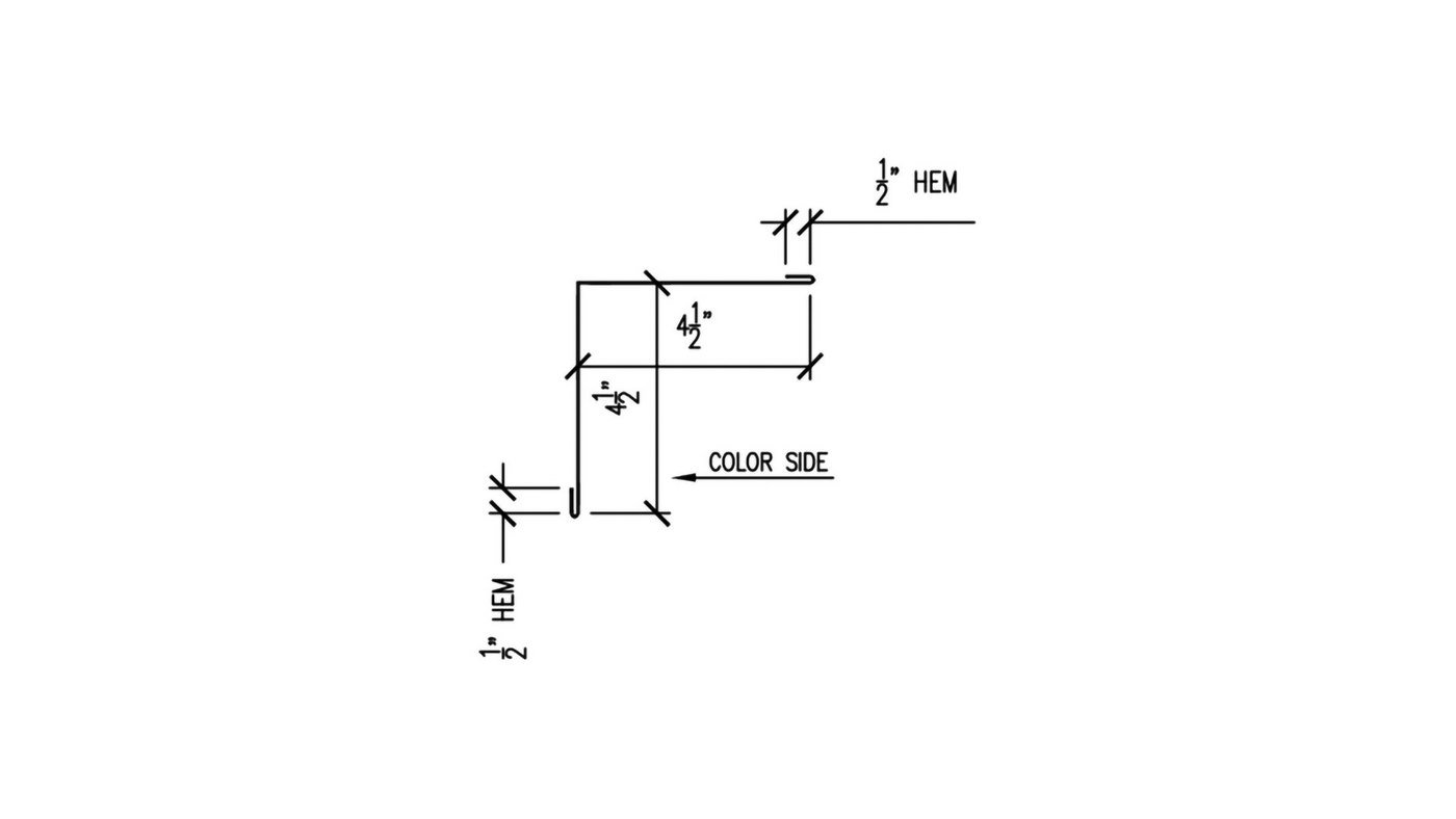
Inside Corner Trim - # WS-807

Inside Corner Trim - Horizontal Installation

Detail #WR-WSD-W26

We offer two different types of inside corner trim, but this is the easiest one to install. The trade-off is that it has exposed rivets. This installation detail is different when the panels are installed vertically versus horizontally. This installation detail is for a horizontal wall panel only.

INSIDE CORNER TRIM DETAIL - HORIZONTAL INSTALLATION - PARTS LIST

This parts list is designed to help you calculate the quantity of accessories that you’ll need for your trim installation. It has all of the accessories that are needed to install 1 full piece of trim, which is 120" long. To calculate the total number of accessories you will need for your job, simply take the number of trim pieces associated with the trim part purchased and multiply the list by that number for a total for your project.

COMPONENTS LIST

  • 1 Piece Inside Corner Trim - WS-807
  • 20 Rivets
  • 2 Tubes Of Butyl Sealant
How To Install Metal Corner Trim

Corner Trim Installation Videos

Corner trim is the typically the last pieces of flashing that's installed for a metal siding job. If the panels are installed horizontally, then it will require foam closure strips. If it's installed vertically foam closure is not required.

Vertical Corner Trim Installation

Vertical Inside & Outside Corner Trim

Inside And Outside Corner Trim Installation For Corrugated Metal Siding And Wall Panels. Step By Step Metal Siding Installation Instructions

Just in case you forgot

ADDITIONAL ITEMS YOU MAY NEED...