<img height="1" width="1" style="display:none;" alt="" src="https://px.ads.linkedin.com/collect/?pid=7483292&amp;fmt=gif">
Products
Products
Back to Main

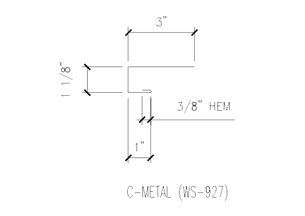
Part #: WS-927/WS-1217

Wainscoting Transition - Board & Batten To Western Seam® - 1.0 - Vertical Installation

Detail #WP-WSD-W24

WAINSCOTING TRANSITION TRIM DETAIL - BOARD & BATTEN TO WESTERN SEAM® - 1.0 VERTICAL INSTALLATION - PARTS LIST

This parts list is designed to help you calculate the quantity of accessories that you’ll need for your trim installation. It has all of the accessories that are needed to install 1 full piece of trim, which is 120" long. To calculate the total number of accessories you will need for your job, simply take the number of trim pieces associated with the trim part purchased and multiply the list by that number for a total for your project.

COMPONENTS LIST

  • 2 Pieces Base Trim - WS-1217
  • 1 Piece C-Metal - WS-927
  • 30 Pancake Head Screws (#10X1") NO Washer
    Verify Metal To Wood
  • 10 Rivets
  • 1 Tube Of Butyl Sealant
Just in case you forgot

ADDITIONAL ITEMS YOU MAY NEED...