<img height="1" width="1" style="display:none;" alt="" src="https://px.ads.linkedin.com/collect/?pid=7483292&amp;fmt=gif">
Products
Products
Back to Main

Part - # WS-1205/WS-801/WS-814/WS-815/WS-816

Wainscoting Transition - Board & Batten To Western Reveal® - Horizontal Installation

Detail #WP-WSD-W37

Board & Batten To Western Reveal® - Horizontal Installation

This detail assumes that you haven't purchased or installed the trim for the Western Reveal® panels. If you have already installed those pieces you will not need all the trim that's shown in this detail.

CLICK TO ENLARGE

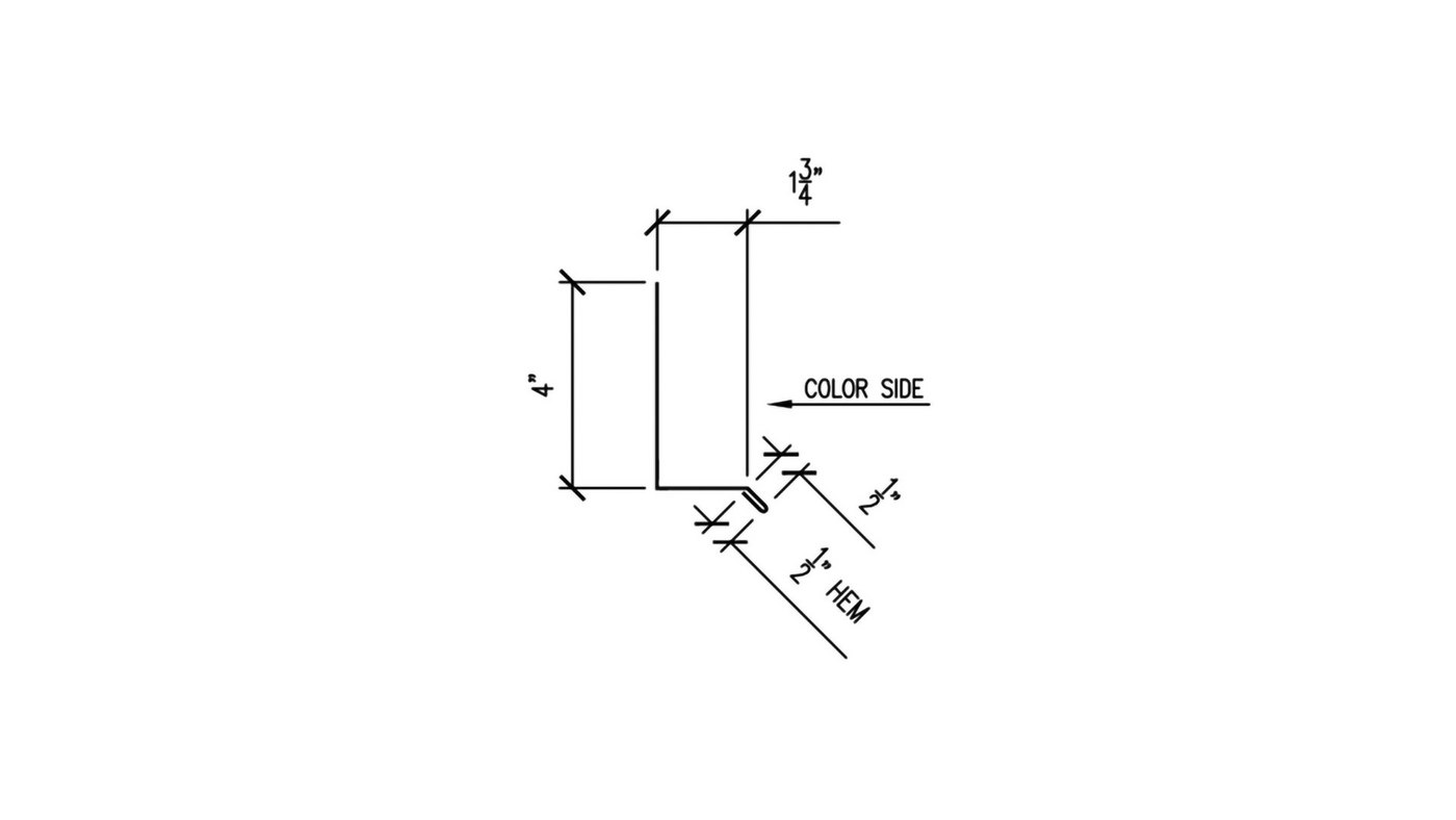
WS-815 Base Trim Dimensions

This detail assumes that you haven't purchased or installed the trim for the Western Reveal® panels. If you have already installed those pieces you will not need all the trim that's shown in this detail.

Click To Enlarge

WS-801 C-Metal Dimensions

This detail assumes that you haven't purchased or installed the trim for the Western Reveal® panels. If you have already installed those pieces you will not need all the trim that's shown in this detail.

CLICK TO ENLARGE

WS-814 Wall Trim Dimensions

This detail assumes that you haven't purchased or installed the trim for the Western Reveal® panels. If you have already installed those pieces you will not need all the trim that's shown in this detail.

Click To Enlarge

WS-816 Z Metal Dimensions

This detail assumes that you haven't purchased or installed the trim for the Western Reveal® panels. If you have already installed those pieces you will not need all the trim that's shown in this detail.

Click To Enlarge

WS-1205 Z Metal Dimensions

This detail assumes that you haven't purchased or installed the trim for the Western Reveal® panels. If you have already installed those pieces you will not need all the trim that's shown in this detail.

Click To Enlarge

WAINSCOTING TRANSITION TRIM DETAIL - BOARD & BATTEN TO WESTERN REVEAL® - HORIZONTAL INSTALLATION - PARTS LIST

This parts list is designed to help you calculate the quantity of accessories that you’ll need for your trim installation. It has all of the accessories that are needed to install 1 full piece of trim, which is 120" long. To calculate the total number of accessories you will need for your job, simply take the number of trim pieces associated with the trim part purchased and multiply the list by that number for a total for your project.

COMPONENTS LIST

  • 2 Pieces Base Trim - WS-815
  • 1 Piece C-Metal - WS-801
  • 1 Piece Wall Trim - WS-814
  • 1 Piece Z Metal - WS-816
  • 1 Piece Z Metal - WS-1205
  • 40 Pancake Head Screws (#10X1") NO Washer
    Verify Metal To Wood
  • 30 Rivets
  • 1 Tube Of Butyl Sealant
Just in case you forgot

ADDITIONAL ITEMS YOU MAY NEED...