<img height="1" width="1" style="display:none;" alt="" src="https://px.ads.linkedin.com/collect/?pid=7483292&amp;fmt=gif">
Products
Products
Back to Main

LOOKING FOR WESTERN RIB® (7.2 PANEL) INSTALLATION VIDEOS?

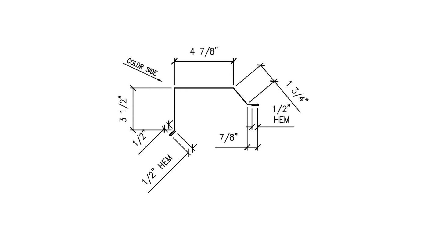
Gable Trim For Western Rib® (7.2 Panel)

Mini Gable Flashing - Part #WS-341

Gable trim is used to finish off the edge of your roof. It’s installed on the two high sides of the roof, not the low side of the roof that follows the pitch. There is also a kick-out on the bottom of the gable trim that will help direct water away from your wall.

WS-341 - PARTS LIST

This parts list is designed to help you calculate the quantity of accessories that you’ll need for your trim installation. It has all of the accessories that are needed to install 1 full piece of trim, which is 120" long. To calculate the total number of accessories you will need for your job, simply take the number of trim pieces associated with the trim part purchased and multiply the list by that number for a total for your project.

COMPONENTS LIST

  • 1 Piece Gable Trim - WS-341
    Roof Pitch Required
  • 10 Lap Screws (Metal to Metal) With Sealant Washer
  • 10 Screws With Sealant Washer To Fasten Into The Face. The Type Of Screw Depends On Whether The Face Is Wood Or Metal.
  • 10 Linear Feet Of Double Sided Butyl Tape
  • 1/4 Tube Silicone Sealant
How To Install Gable Flashing

Gable Trim Installation Videos

Gable or rake trim is installed on the high side of the roof. Step by step installation instructions that include cutting and finishing the gable flashing at the eave and the ridge, overlapping, and fastening.

Just in case you forgot

ADDITIONAL ITEMS YOU MAY NEED...