<img height="1" width="1" style="display:none;" alt="" src="https://px.ads.linkedin.com/collect/?pid=7483292&amp;fmt=gif">
Products
Products
Back to Main

LOOKING FOR METAL SIDING INSTALLATION VIDEOS?

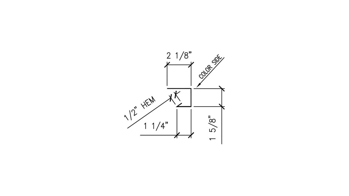
Jamb Trim FOR WESTERN RIB/7.2 PANEL

Jamb Trim - Part #WS-303

The term jamb means the frame of a window or a door. Metal jamb trim is installed vertically along the sides of a window or wall opening. It's similar to head trim with the key difference being it has a return versus a hem at the bottom.

WS-303 - PARTS LIST

This parts list is designed to help you calculate the quantity of accessories that you’ll need for your trim installation. It has all of the accessories that are needed to install 1 full piece of trim, which is 120" long. To calculate the total number of accessories you will need for your job, simply take the number of trim pieces associated with the trim part purchased and multiply the list by that number for a total for your project.

COMPONENTS LIST

  • 1 Piece Jamb Trim - WS-303
  • 10 Pancake Head Screws (#10X1") NO Washer
METAL SIDING INSTALLATION VIDEOS

Jamb Trim Installation For Metal Siding

Just in case you forgot

ADDITIONAL ITEMS YOU MAY NEED...