HOMEOWNERS: 750 sq. ft. minimum to receive a quote or sample.
Floating peak trim means that the standing seam panels aren't pinned in place at the peak/high eave. This allows for expansion and contraction. If you have a floating peak, you will need a fixed connection at the other end of the standing seam panel.
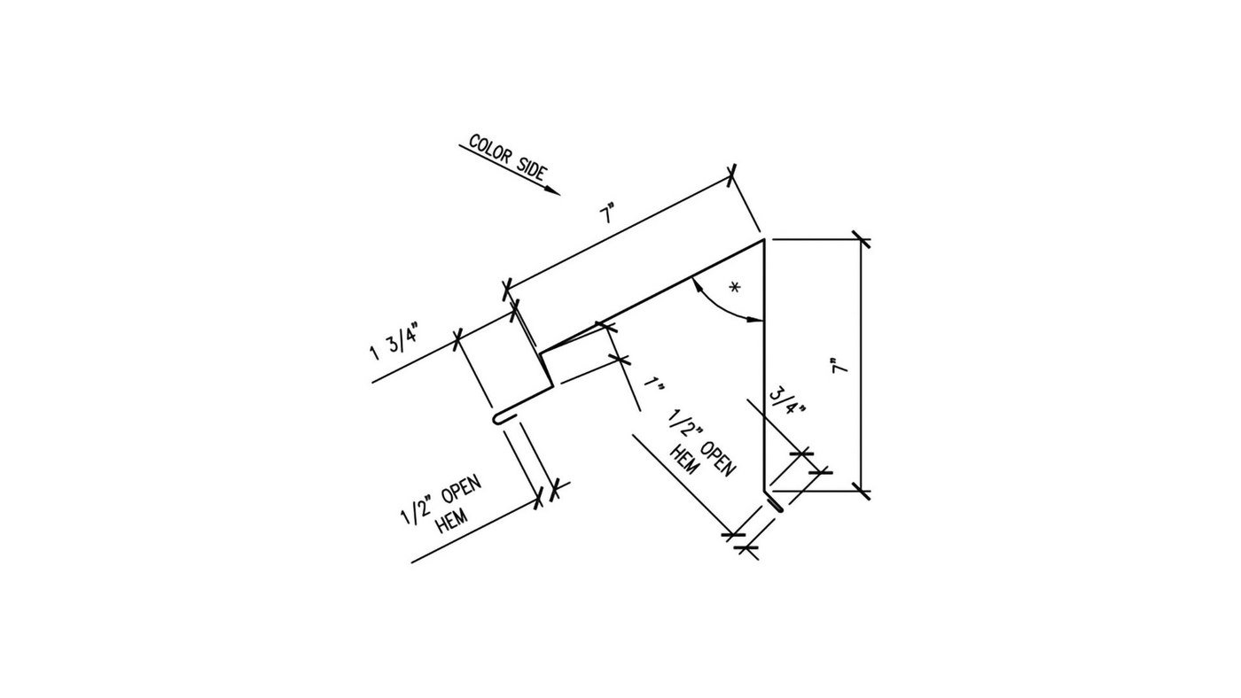
Most of the jobs that we supply have a fixed peak and a floating eave. This detail is not used that often.
Peak flashing is a metal cap for a single slope roof condition that caps off the high end of the slope. Peak trim acts like a ridge cap to keep water, snow, and ice from getting under the roof. It’s also referred to as high side eave trim.
For every 10' of peak flashing, you will need 10' of zee closures.
For every 10' of peak flashing, you will need 10' of trim cleat.
For every 10' of peak flashing, you will need 10' of panel end support.
This parts list is designed to help you calculate the quantity of accessories that you’ll need for your trim installation. It has all of the accessories that are needed to install 1 full piece of trim, which is 120" long. To calculate the total number of accessories you will need for your job, simply take the number of trim pieces associated with the trim part purchased and multiply the list by that number for a total for your project.
WSMR Recommends the use of a water barrier or underlayment prior to the installation of the trim components or metal roofing panels.
We recommend:
 
                
                
              
              
              
               
                
                
              
              
              
              Clips and fasteners for standing seam metal roofing panels.
 
                
                
              
              
              
              When snow accumulations begin to melt, the result can be catastrophic as the blanket of snow avalanches off the roof dumping tons of snow onto anything in its path.
It can damage landscape, gutters, adjacent roofs, vehicles and cause injury or death to passers-by. All of S-5!’s snow retention systems dramatically reduce these risks associated with rooftop avalanches while maintaining the clean lines of the roof.