<img height="1" width="1" style="display:none;" alt="" src="https://px.ads.linkedin.com/collect/?pid=7483292&amp;fmt=gif">
Products
Products
Back to Main

LOOKING FOR STANDING SEAM METAL ROOFING INSTALLATION VIDEOS?

WESTERN LOCK® STANDING SEAM METAL ROOFING

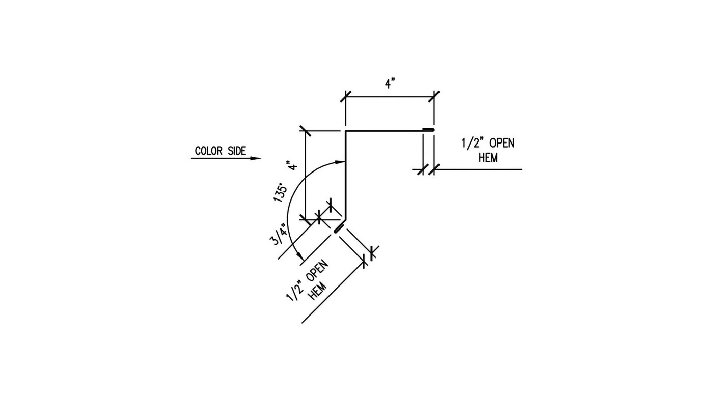
Starter Gable Detail - Part #WS-451

This detail is rarely used. We recommend our most popular gable installation detail, 4 piece gable trim.

Gable trim is used to finish off the edge of your roof. It’s installed on the two high sides of the roof, not the low side of the roof that follows the pitch. There is also a kick-out on the bottom of the gable trim that will help direct water away from your wall.

WS-451 - GABLE STARTER TRIM - PARTS LIST

This parts list is designed to help you calculate the quantity of accessories that you’ll need for your trim installation. It has all of the accessories that are needed to install 1 full piece of trim, which is 120" long. To calculate the total number of accessories you will need for your job, simply take the number of trim pieces associated with the trim part purchased and multiply the list by that number for a total for your project.

Components List

  • 1 Piece Gable Trim - WS-451
  • 1 Piece Gable Starter Trim - WS-452
  • 1 Piece Trim Cleat - WS-401
  • 20 Pancake Head Screws (#10X1") NO Washer
    Verify Metal To Wood
  • 10 Linear Feet Of Double Sided Butyl Tape, 3/16" X 7/8"
  • 1 Tube Butyl Sealant
  • 1/4 Tube Silicone Sealant

WSMR Recommends the use of a water barrier or underlayment prior to the installation of the trim components or metal roofing panels.

We recommend:

Just in case you forgot

ADDITIONAL ITEMS YOU MAY NEED...