<img height="1" width="1" style="display:none;" alt="" src="https://px.ads.linkedin.com/collect/?pid=7483292&amp;fmt=gif">
Products
Products
Back to Main

LOOKING FOR STANDING SEAM METAL ROOFING INSTALLATION VIDEOS?

WESTERN LOCK® STANDING SEAM METAL ROOFING

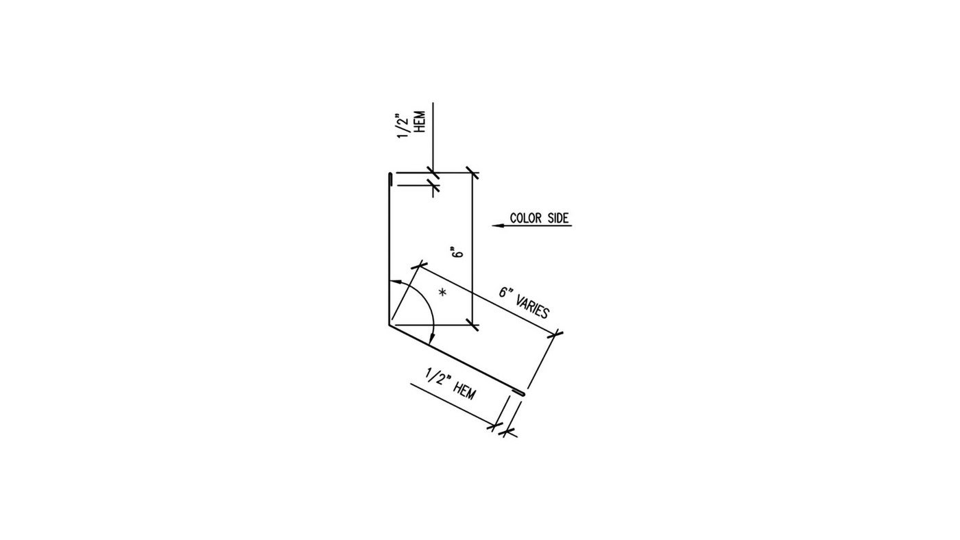
Fixed Endwall - Part #WS-428

Fixed endwall means that the standing seam panels will be pinned in place at the endwall. If you have a fixed point at the endwall, you will need a floating connection at the other end of the standing seam panel.

WS-410 Zee Closure Dimensions

For every 10' of endwall, you will need 10' of zee closures.

Click To Enlarge

WS-429 Reglet Dimensions

For every 10' of endwall, you will need 10' of reglet trim.

Click To Enlarge

WS-428 - FIXED ENDWALL - PARTS LIST

This parts list is designed to help you calculate the quantity of accessories that you’ll need for your trim installation. It has all of the accessories that are needed to install 1 full piece of trim, which is 120" long. To calculate the total number of accessories you will need for your job, simply take the number of trim pieces associated with the trim part purchased and multiply the list by that number for a total for your project.

Components List

 

  • 1 Piece Endwall Flashing - WS-428
    Roof Pitch Required
  • 1 Piece Zee Closure - WS-410
  • 1 Piece Reglet Trim - WS-429
  • 28 Pancake Head Screws (#10X1") NO Washer
    Verify Metal To Wood
  • 10 Rivets
  • 20 Linear Feet Of Double Sided Butyl Tape, 3/16" X 7/8"
  • 2 Tubes Of Butyl Sealant
  • 1/4 Tube Silicone Sealant

WSMR Recommends the use of a water barrier or underlayment prior to the installation of the trim components or metal roofing panels.

We recommend:

 

 

Fixed End Wall Installation Video

Image

Standing Seam Installation Video

Step by step instructions for installing a fixed end wall and side wall flashing.

Watch Now

Just in case you forgot

ADDITIONAL ITEMS YOU MAY NEED...