<img height="1" width="1" style="display:none;" alt="" src="https://px.ads.linkedin.com/collect/?pid=7483292&amp;fmt=gif">
Products
Products
Back to Main

LOOKING FOR METAL SIDING INSTALLATION VIDEOS?

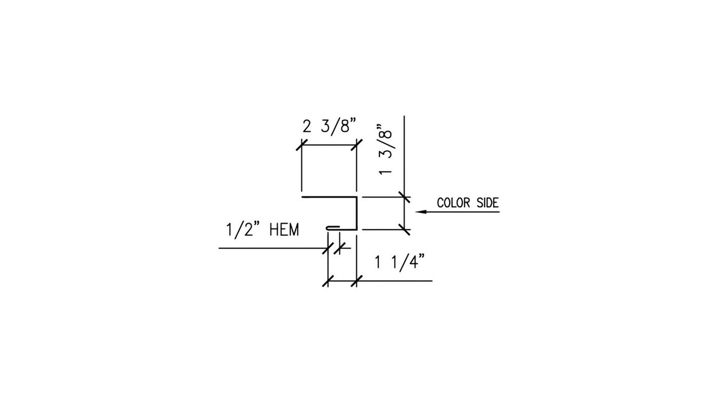
Head Trim FOR R PANEL AND PBR PANEL

Head Trim - Part #WS-208

Metal head trim is installed horizontally along framed openings. It's similar to jamb trim with the key difference being it has a hem versus a return at the bottom.

WS-208 - PARTS LIST

This parts list is designed to help you calculate the quantity of accessories that you’ll need for your trim installation. It has all of the accessories that are needed to install 1 full piece of trim, which is 120" long. To calculate the total number of accessories you will need for your job, simply take the number of trim pieces associated with the trim part purchased and multiply the list by that number for a total for your project.

COMPONENTS LIST

  • 1 Piece Head Trim - WS-208
  • 10 Pancake Head Screws (#10X1") NO Washer
METAL SIDING INSTALLATION VIDEOS

Head Trim Installation For Metal Siding

Just in case you forgot

ADDITIONAL ITEMS YOU MAY NEED...