<img height="1" width="1" style="display:none;" alt="" src="https://px.ads.linkedin.com/collect/?pid=7483292&amp;fmt=gif">
Products
Products
Back to Main

LOOKING FOR R PANEL METAL ROOFING INSTALLATION VIDEOS?

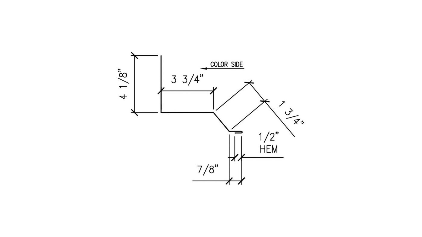
Sidewall Flashing FOR PBR PANEL/R PANEL METAL ROOFING

Sidewall Flashing - Part #WS-207

Sidewall flashing is installed on a vertical wall on the gable side of a metal roof. The purpose of sidewall trim is to keep the water from dripping down the wall and leaking into the roof. It can be installed with or without a reglet trim.

WS-207 - PARTS LIST

This parts list is designed to help you calculate the quantity of accessories that you’ll need for your trim installation. It has all of the accessories that are needed to install 1 full piece of trim, which is 120" long. To calculate the total number of accessories you will need for your job, simply take the number of trim pieces associated with the trim part purchased and multiply the list by that number for a total for your project.

COMPONENTS LIST

  • 1 Piece Sidewall Flashing - WS-207
  • 10 Lap Screws (Metal to Metal) With Sealant Washer
  • 10 Screws With Sealant Washer To Fasten Into The Wall. The Type Of Screw Depends On The Material Of The Wall
  • 10 Linear Feet Of Double Sided Butyl Tape

A reglet trim may also be required.

How To Install Sidewall Trim

Sidewall Flashing Installation Videos

To begin, please note that if your roof has a sidewall condition, all sidewall trim must be installed prior to fastening the endwall.

Step by step video that covers installing sidewall flashing on a metal roof which includes: cutting and finishing at the endwall, overlapping, foam closure installation, and fastening. This video is for installation of an exposed fastener panel.

Just in case you forgot

ADDITIONAL ITEMS YOU MAY NEED...