<img height="1" width="1" style="display:none;" alt="" src="https://px.ads.linkedin.com/collect/?pid=7483292&amp;fmt=gif">
Products
Products
Back to Main

LOOKING FOR METAL SIDING INSTALLATION VIDEOS?

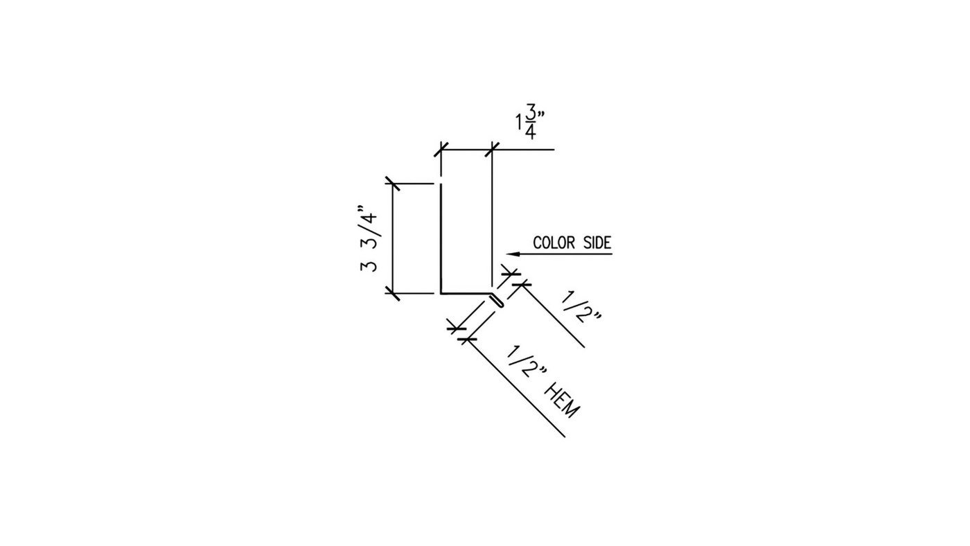
Base Trim FOR PBR PANEL/R PANEL METAL ROOFING

Base Trim - Part #WS-206

Base trim creates a barrier between the bottom of the metal wall panels and the floor. It's the first piece of metal siding trim that gets installed. 

WS-206 - PARTS LIST

This parts list is designed to help you calculate the quantity of accessories that you’ll need for your trim installation. It has all of the accessories that are needed to install 1 full piece of trim, which is 120" long. To calculate the total number of accessories you will need for your job, simply take the number of trim pieces associated with the trim part purchased and multiply the list by that number for a total for your project.

COMPONENTS LIST

  • 1 Piece Base Trim - WS-206
  • 10 Pancake Head Screws (#10X1") NO Washer
How To Install Base Trim

Base Trim Installation Videos

Image

Base Trim Installation For Metal Siding Panels

Step by step video that covers installing base trim for metal siding which includes: cutting and finishing the corners, overlapping, and fastening. This video is for installation of an exposed fastener siding panel.

Watch Now

Image

How To Picture Frame A Metal Wall Panel: Base Trim With J Metal Installation

Learn how to install picture frame a metal wall panel with base trim and C-Metal. Step by step installation instructions that show you how to cut, fasten and overlap the base trim and JMetal.

Watch Now

Just in case you forgot

ADDITIONAL ITEMS YOU MAY NEED...