HOMEOWNERS: 750 sq. ft. minimum to receive a quote or sample.
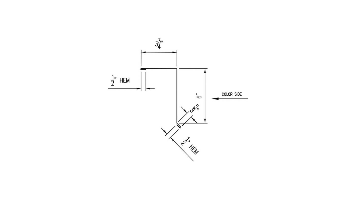
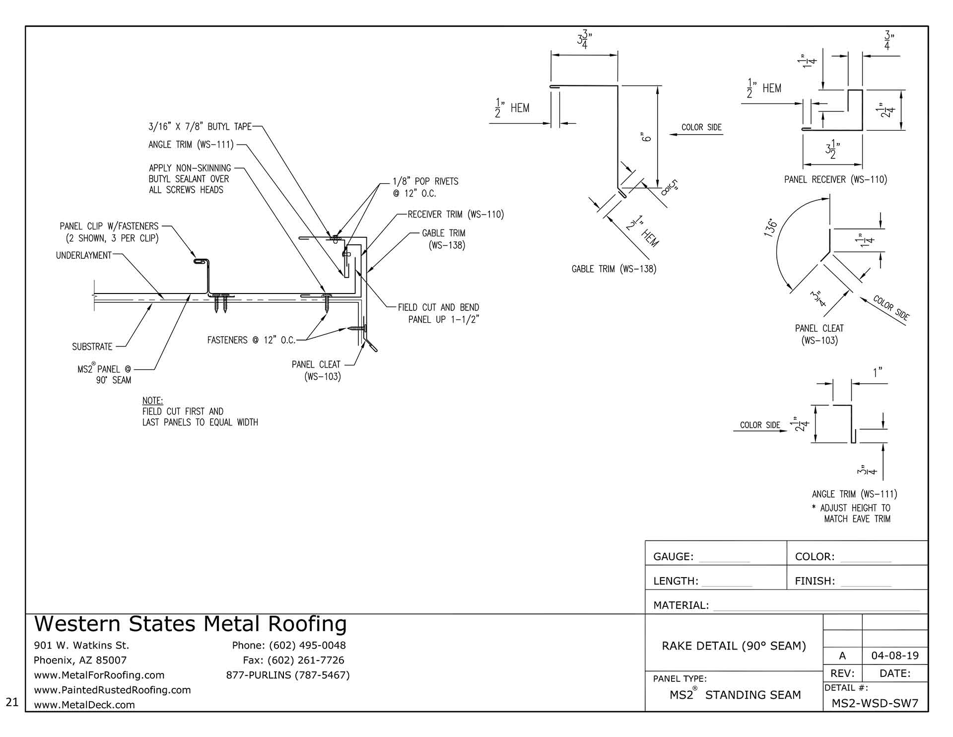
4 Piece gable trim is our most popular standing seam gable/rake flashing detail.
Gable trim is used to finish off the edge of your roof. It’s installed on the two high sides of the roof, not the low side of the roof that follows the pitch. There is also a kick-out on the bottom of the gable trim that will help direct water away from your wall.
For every 10' of gable trim, you will need 10' of angle trim.
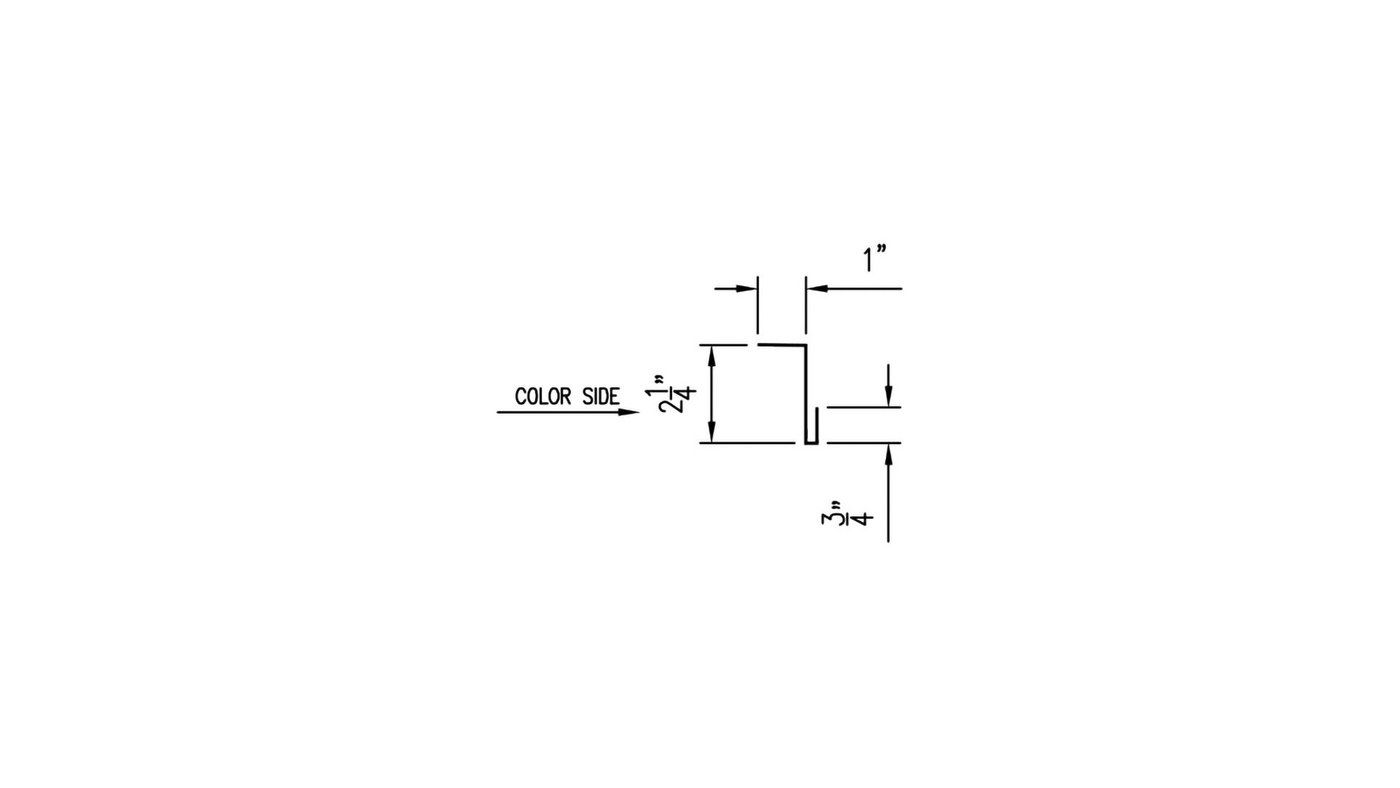
For every 10' of gable trim, you will need 10' of receiver trim.
For every 10' of gable trim, you will need 10' of trim cleat.
This parts list is designed to help you calculate the quantity of accessories that you’ll need for your trim installation. It has all of the accessories that are needed to install 1 full piece of trim, which is 120" long. To calculate the total number of accessories you will need for your job, simply take the number of trim pieces associated with the trim part purchased and multiply the list by that number for a total for your project.
WSMR Recommends the use of a water barrier or underlayment prior to the installation of the trim components or metal roofing panels.
We recommend:
Clips and fasteners for standing seam metal roofing panels.
When snow accumulations begin to melt, the result can be catastrophic as the blanket of snow avalanches off the roof dumping tons of snow onto anything in its path.
It can damage landscape, gutters, adjacent roofs, vehicles and cause injury or death to passers-by. All of S-5!’s snow retention systems dramatically reduce these risks associated with rooftop avalanches while maintaining the clean lines of the roof.