<img height="1" width="1" style="display:none;" alt="" src="https://px.ads.linkedin.com/collect/?pid=7483292&amp;fmt=gif">
Products
Products
Back to Main

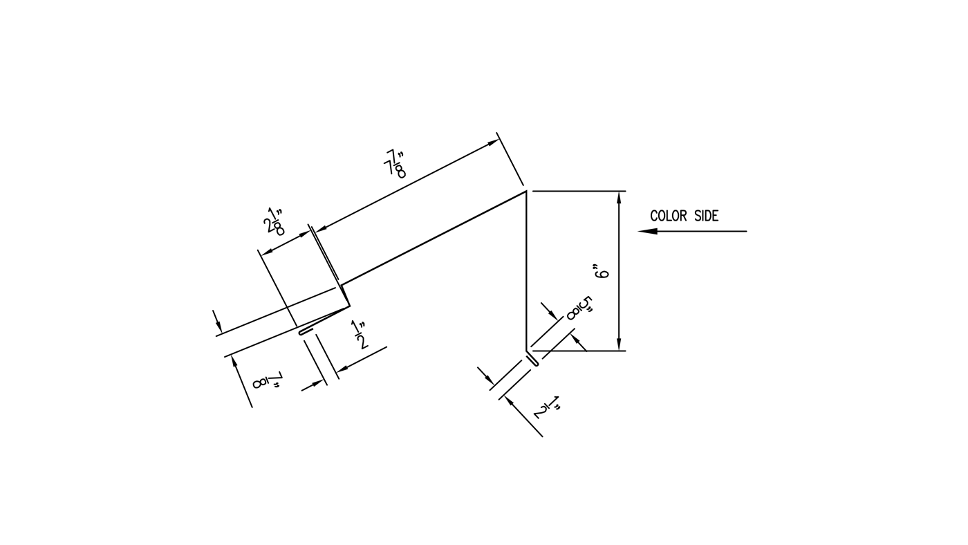
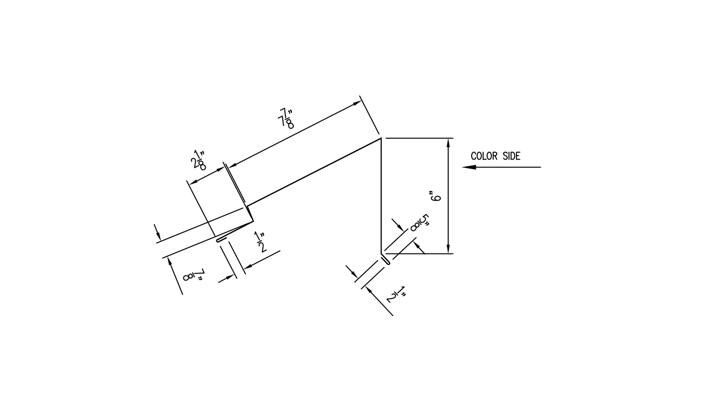
WS-130 - EAVE TRIM WITH BULLNOSE DRIP EDGE - PARTS LIST

This parts list is designed to help you calculate the quantity of accessories that you’ll need for your trim installation. It has all of the accessories that are needed to install 1 full piece of trim, which is 120" long. To calculate the total number of accessories you will need for your job, simply take the number of trim pieces associated with the trim part purchased and multiply the list by that number for a total for your project.

Components List

  • 1 Piece Eave Trim - WS-130
    Roof Pitch Required
  • 1 Piece Panel Cleat - WS-103
  • 20 Pancake Head Screws (#10X1") NO Washer
    Verify Metal To Wood
  • 10 Linear Feet Of Double Sided Butyl Tape, 3/16" X 7/8"
  • 3/4 Tube Butyl Sealant
  • 1/4 Tube Silicone Sealant
  • 10 Linear Feet Of 8" Wide Sharkskin Ultra SA - Self Adhesive Roofing Underlayment

WSMR Recommends the use of a water barrier or underlayment prior to the installation of the trim components or metal roofing panels.

We recommend:

Just in case you forgot

ADDITIONAL ITEMS YOU MAY NEED...