<img height="1" width="1" style="display:none;" alt="" src="https://px.ads.linkedin.com/collect/?pid=7483292&amp;fmt=gif">
Products
Products
Back to Main
MS1® MECHANICALLY SEAMED ROOFING

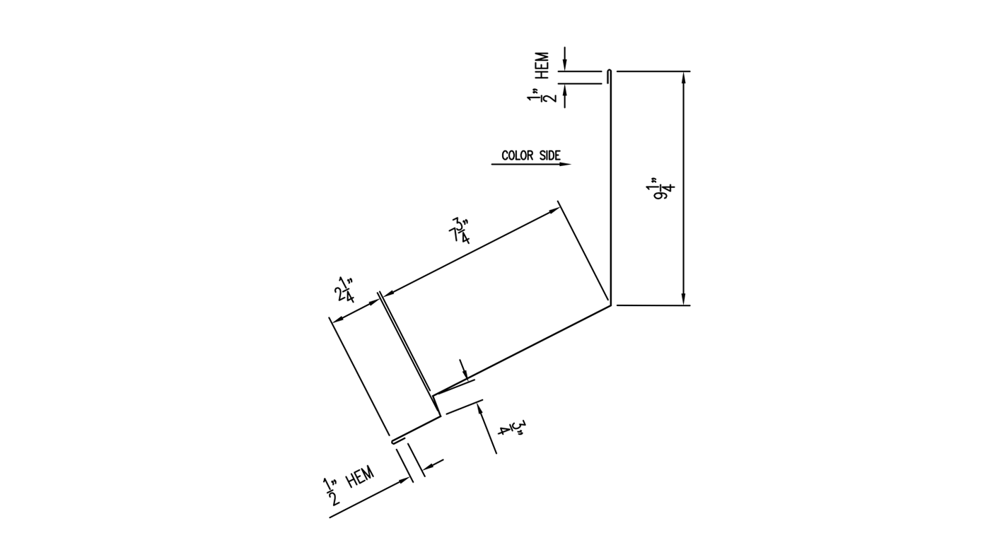
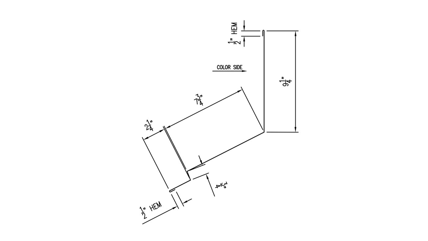
Fixed Endwall - Part #WS-1420

Fixed endwall means that the standing seam panels will be pinned in place at the endwall. If you have a fixed point at the endwall, you will need a floating connection at the other end of the standing seam panel.

This is our most popular endwall detail.

WS-1420 - FIXED HEAD WALL/ ENDWALL - PARTS LIST

This parts list is designed to help you calculate the quantity of accessories that you’ll need for your trim installation. It has all of the accessories that are needed to install 1 full piece of trim, which is 120" long. To calculate the total number of accessories you will need for your job, simply take the number of trim pieces associated with the trim part purchased and multiply the list by that number for a total for your project.

Components List

  • 1 Piece Headwall Flashing - WS-1420
    Roof Pitch Required
  • 1 Piece Zee Closure - WS-1414
  • 1 Piece Reglet Trim (Optional) - WS-1413
  • 28 Pancake Head Screws (#10X1") NO Washer
    Verify Metal To Wood
  • 10 Rivets
  • 20 Linear Feet Of Double Sided Butyl Tape, 3/16" X 7/8"
  • 2 Tubes Of Butyl Sealant
  • 1/4 Tube Silicone Sealant

WSMR Recommends the use of a water barrier or underlayment prior to the installation of the trim components or metal roofing panels.

We recommend:

 

Just in case you forgot

ADDITIONAL ITEMS YOU MAY NEED...