<img height="1" width="1" style="display:none;" alt="" src="https://px.ads.linkedin.com/collect/?pid=7483292&amp;fmt=gif">
Products
Products
Back to Main
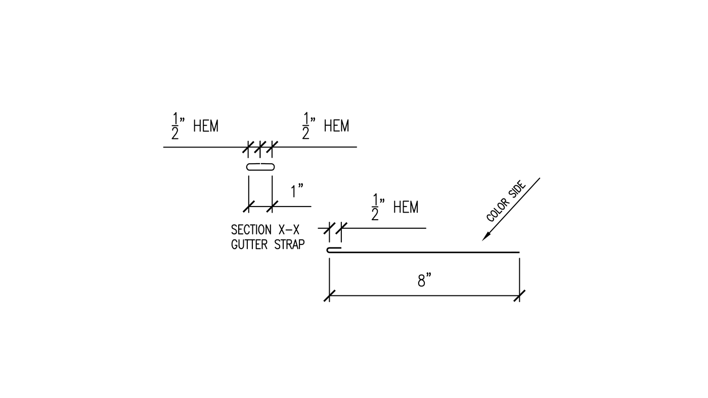
GUTTER FOR MS1® MECHANICALLY SEAMED ROOFING

Gutter Strap - Part #WS-1409

Gutter straps are used to support the weight of the gutter system. The straps are hooked to the top open hem of a pre-hung or post hung gutter system and then fastened to the top of the metal roofing panel. They usually are installed about 24"-36" on center. However, you will want to consult an engineer prior to installing them as local codes and rain loads vary depending on your area.

Additional Gutter And Downspout Installation Videos

Image

Downspout Outlet/Dropout Installation

Step by step installation instructions that show you how to attach downspout drop outlet to a gutter system.

Watch Now

Image

Downspout Installation

Step by step downspout installation instructions that include elbows, downspout strap, and fastening.

Watch Now