<img height="1" width="1" style="display:none;" alt="" src="https://px.ads.linkedin.com/collect/?pid=7483292&amp;fmt=gif">
Products
Products
Back to Main
GUTTER FOR MS1® MECHANICALLY SEAMED ROOFING

Gutter With Eave Trim - Part #WS-1406

A pre-hung gutter is a gutter that’s installed before the installation of the metal panels. Its purpose is to divert water off the roof and away from the walls and foundation of a building. 

WS-1405 Joggle Cleat Dimensions

For every 10' of gutter, you will need 10' of joggle cleat.

CLICK TO ENLARGE

WS-1407 Eave Trim (Optional) - Dimensions

This is an optional piece of trim. It's only needed if the inside of the gutter is visible.

If you have a painted gutter the inside color of the gutter will not match the color of the metal roof. The only purpose of this eave trim is to match the colors.

For every 10' of gutter you will need 10' of eave trim.

Click To Enlarge

WS-1408 Eave Flash (Optional) - Dimensions

This is an optional piece of trim. It's only needed if the inside of the gutter is visible. It's a larger piece of eave trim vs WS-1407

If you have a painted gutter the inside color of the gutter will not match the color of the metal roof. The only purpose of this eave trim is to match the colors.

For every 10' of gutter you will need 10' of eave trim.

Click To Enlarge

Gutter Accessories

WS-1406 - GUTTER WITH EAVE TRIM - PARTS LIST

This parts list is designed to help you calculate the quantity of accessories that you’ll need for your trim installation. It has all of the accessories that are needed to install 1 full piece of trim, which is 120" long. To calculate the total number of accessories you will need for your job, simply take the number of trim pieces associated with the trim part purchased and multiply the list by that number for a total for your project.

Components List

  • 1 Piece Pre-Hung Box Gutter - WS-1406
    Roof Pitch Required
  • 1 Piece Joggle Cleat - WS-1405
  • 1 Piece Gutter Eave Trim (Optional) - WS-1407 or WS-1408
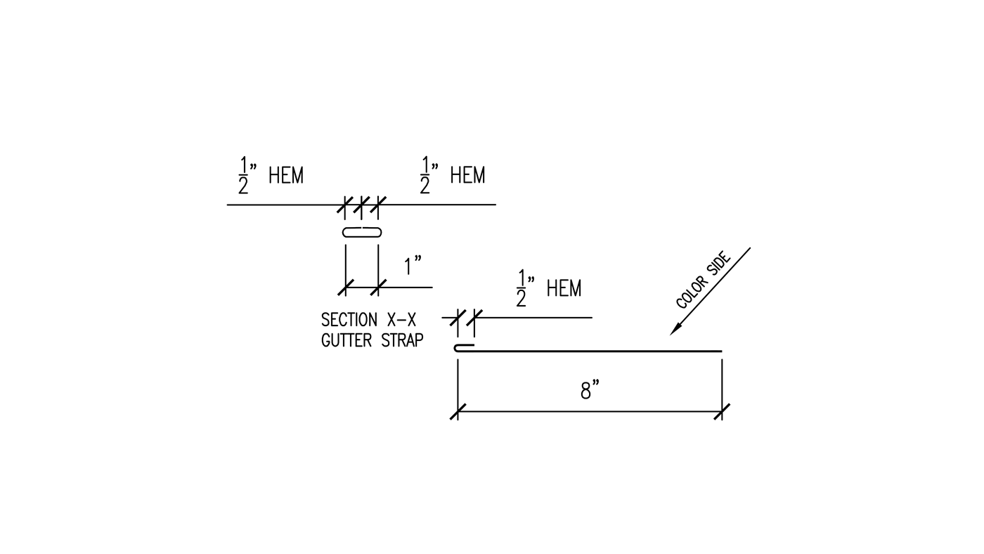
  • 5 Pieces Gutter Strap- WS-1409
  • 2 Pieces Gutter End Caps - WS-1400
    You Will Need 1 Left & 1 Right At Gutter Ends
  • 10 Pancake Head Screws (#10X1") NO Washer
    Verify Metal To Wood
  • 48 Rivets
  • 10 Linear Feet Of Double Sided Butyl Tape, 3/16" X 7/8"
  • 1 Tube Of Butyl Sealant
  • 1/4 Tube Silicone Sealant
  • 10 Linear Feet Of 8" Wide Sharkskin Ultra SA - Self Adhesive Roofing Underlayment

If you have more than one piece of gutter for each gutter run then it will require the following additional pieces:

  • Gutter Splice - WS-1404
  • 12 Rivets
  • 1/4 Tube Of Butyl Sealant

WSMR Recommends the use of a water barrier or underlayment prior to the installation of the trim components or metal roofing panels.

We recommend:

Just in case you forgot

ADDITIONAL ITEMS YOU MAY NEED...