<img height="1" width="1" style="display:none;" alt="" src="https://px.ads.linkedin.com/collect/?pid=7483292&amp;fmt=gif">
Products
Products
Back to Main
MS1® MECHANICALLY SEAMED ROOFING

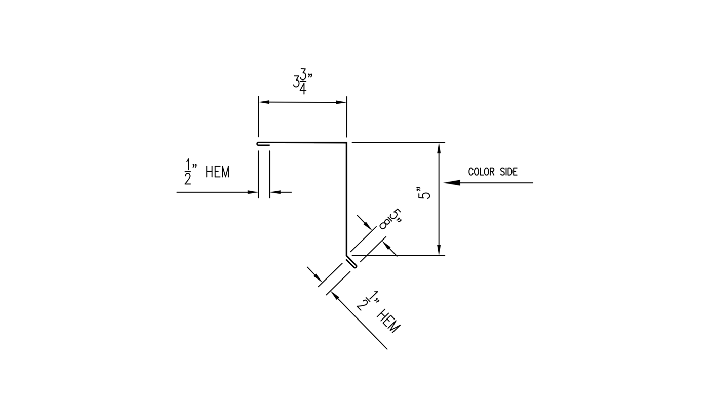
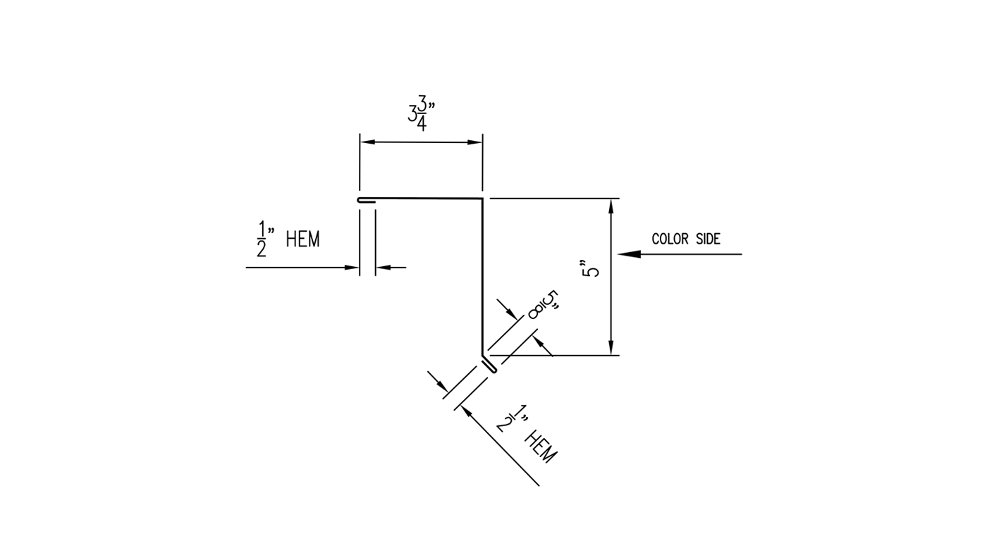
Gable Trim - Part #WS-1438

4 Piece gable trim is our most popular standing seam gable/rake flashing detail.

Gable trim is used to finish off the edge of your roof. It’s installed on the two high sides of the roof, not the low side of the roof that follows the pitch. There is also a kick-out on the bottom of the gable trim that will help direct water away from your wall.

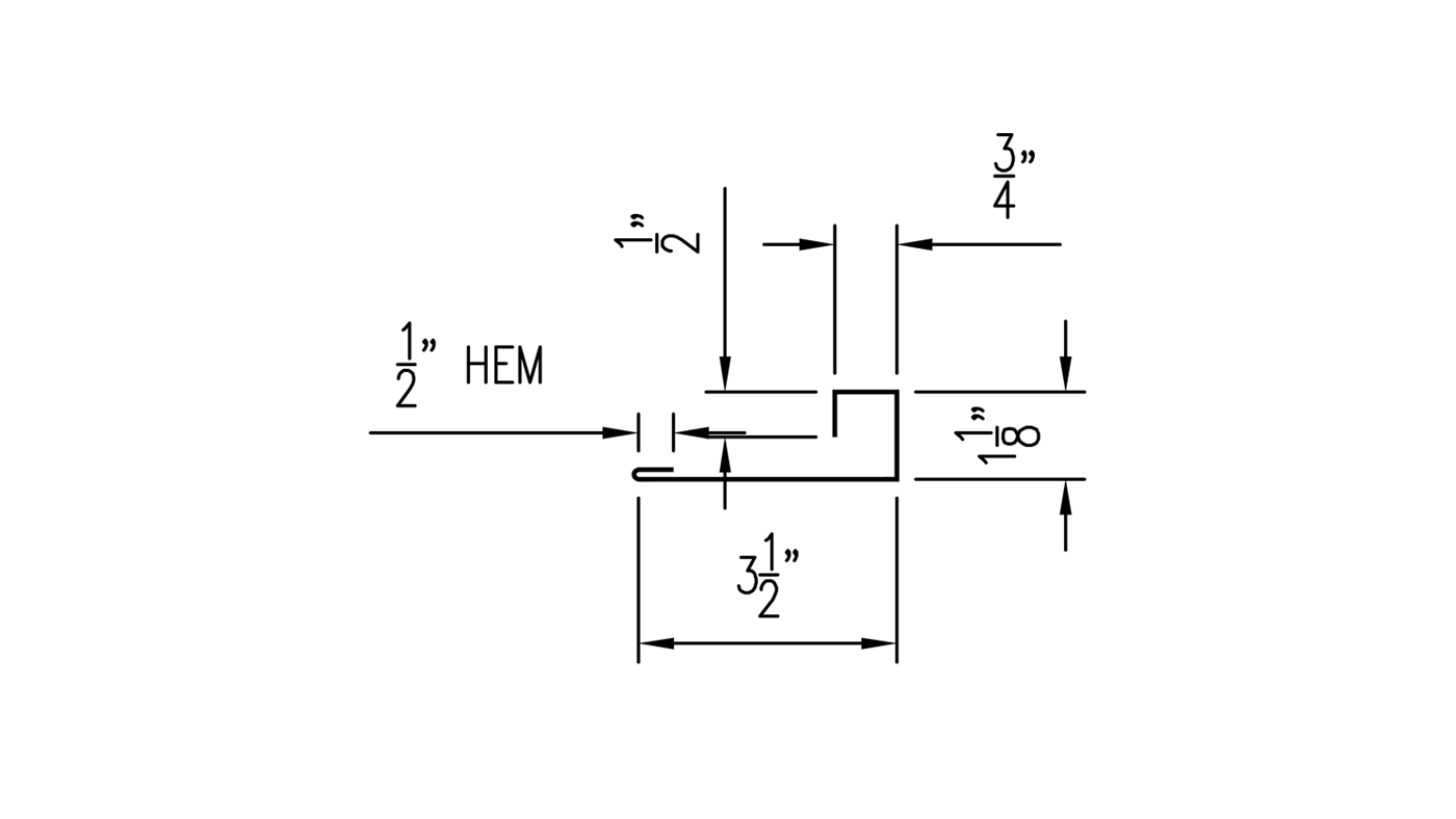
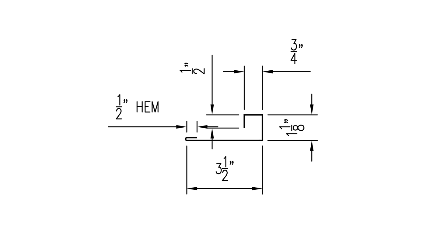
WS-1411 Angle Trim Dimensions

For every 10' of gable trim, you will need 10' of angle trim.

Click To Enlarge

WS-1410 Receiver Trim Dimensions

For every 10' of gable trim, you will need 10' of receiver trim.

Click To Enlarge

WS-1403 Panel Cleat Dimensions

For every 10' of gable trim, you will need 10' of trim cleat.

Click To Enlarge

WS-1438 - 4 PIECE GABLE - PARTS LIST

This parts list is designed to help you calculate the quantity of accessories that you’ll need for your trim installation. It has all of the accessories that are needed to install 1 full piece of trim, which is 120" long. To calculate the total number of accessories you will need for your job, simply take the number of trim pieces associated with the trim part purchased and multiply the list by that number for a total for your project.

Components List

  • 1 Piece Gable Trim - WS-1438
  • 1 Piece Angle Trim - WS-1411
  • 1 Piece Receiver Trim - WS-1410
  • 1 Piece Panel Cleat - WS-1403
  • 20 Pancake Head Screws (#10X1") NO Washer
    Verify Metal To Wood
  • 20 Rivets
  • 10 Linear Feet Of Double Sided Butyl Tape, 3/16" X 7/8"
  • 1/4 Tube Silicone Sealant

WSMR Recommends the use of a water barrier or underlayment prior to the installation of the trim components or metal roofing panels.

We recommend:

Just in case you forgot

ADDITIONAL ITEMS YOU MAY NEED...