<img height="1" width="1" style="display:none;" alt="" src="https://px.ads.linkedin.com/collect/?pid=7483292&amp;fmt=gif">
Products
Products
Back to Main
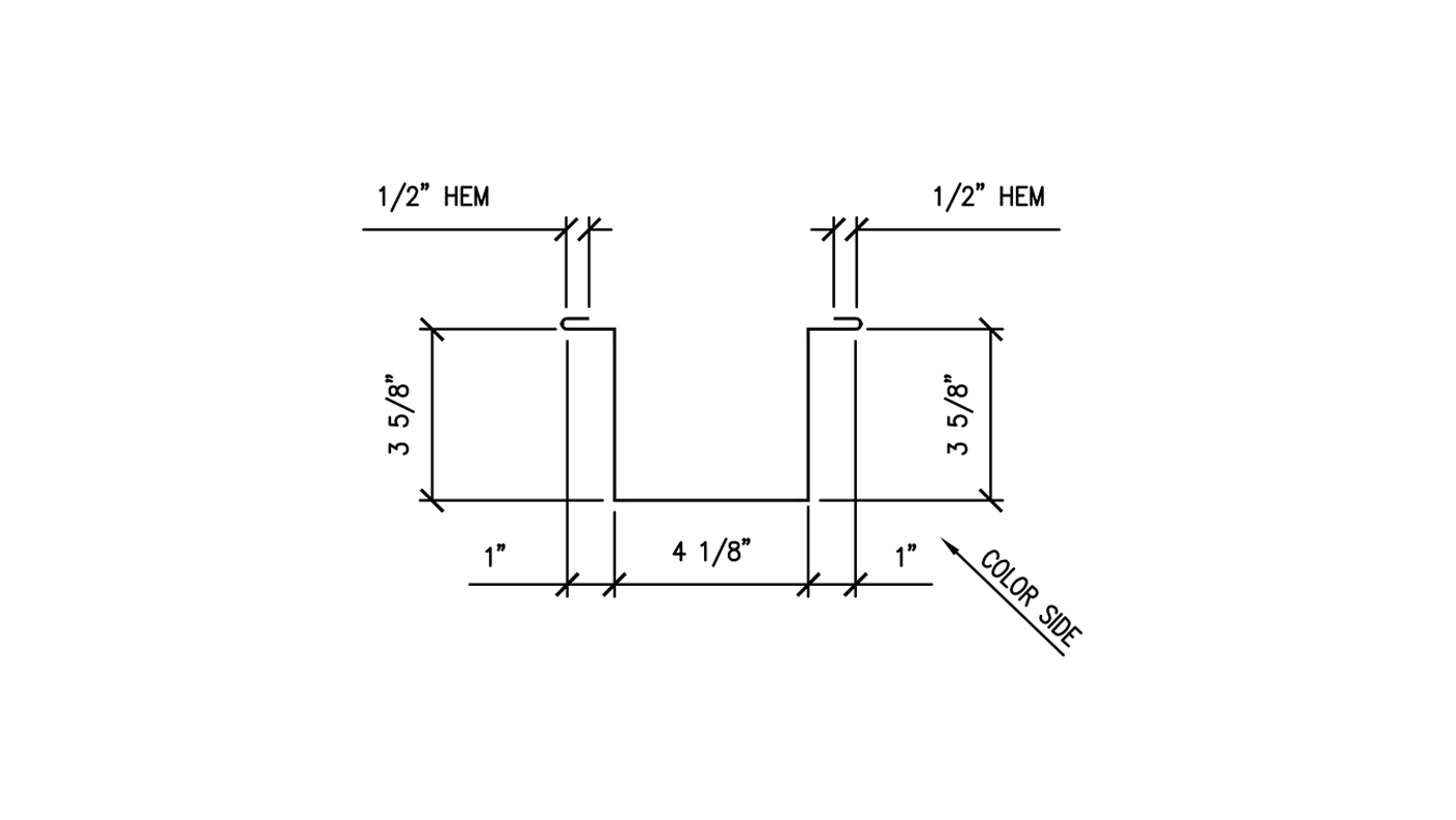
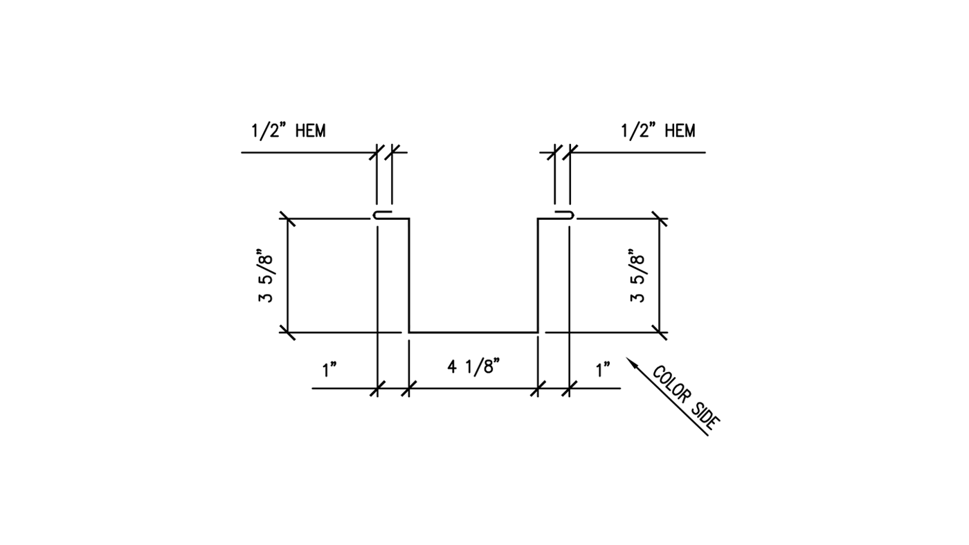
DOWNSPOUT FOR MS1® MECHANICALLY SEAMED ROOFING

Downspout Outlet - Part #WS-1437

A downspout outlet is installed inside the gutter. It's the piece of metal that connects a gutter to a downspout.

 

How To Install Downspout

Downspout Installation Video

Step by step downspout installation instructions that include elbows, downspout strap, and fastening. This video covers an exposed fastener metal roofing panel.

Additional Gutter And Downspout Installation Videos