<img height="1" width="1" style="display:none;" alt="" src="https://px.ads.linkedin.com/collect/?pid=7483292&amp;fmt=gif">
Products
Products
Back to Main
MS1® MECHANICALLY SEAMED ROOFING

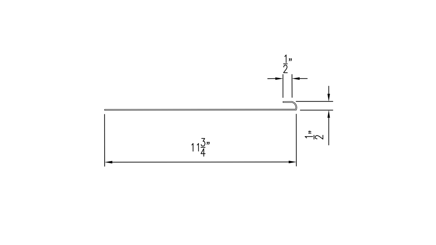
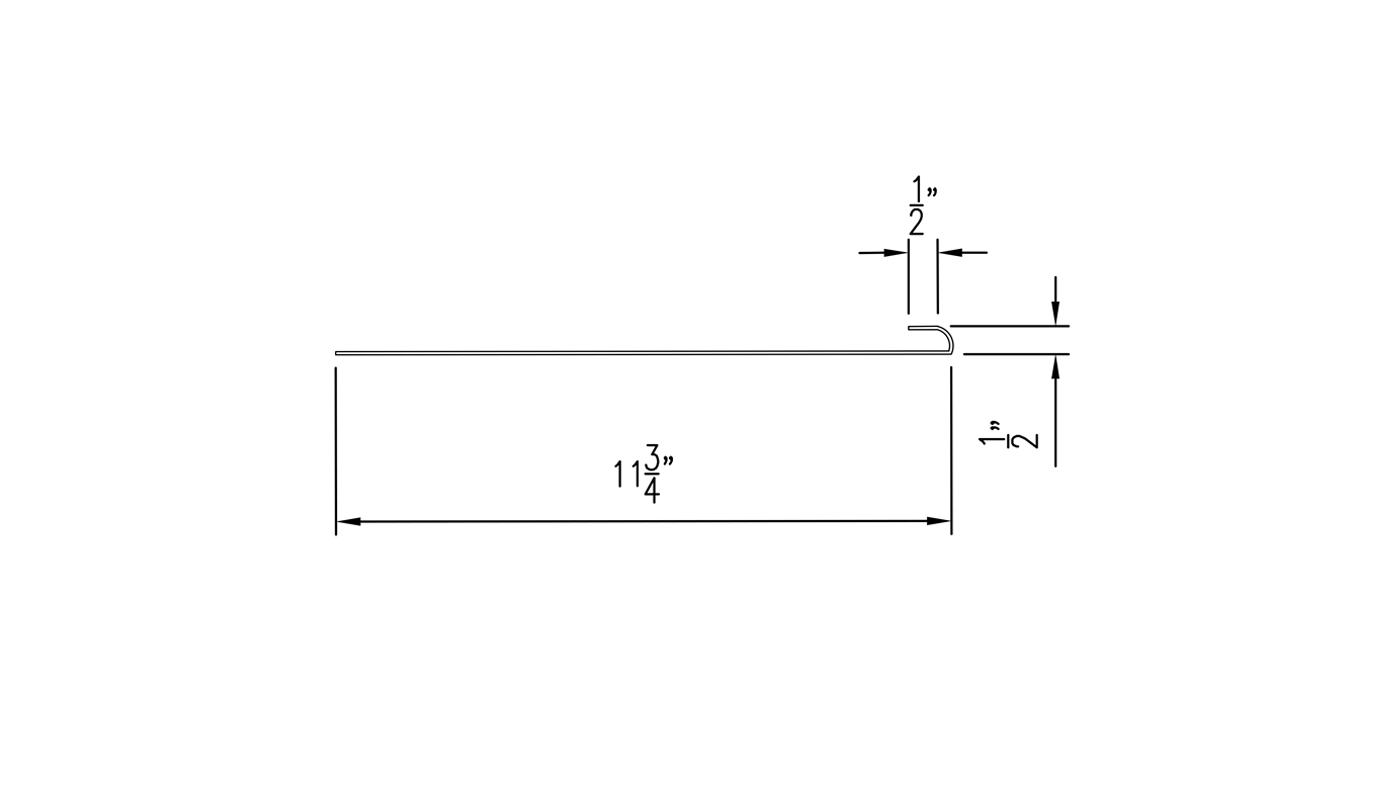
Back Up Plate - 16 GA - Part #WS-1401

Just in case you forgot

ADDITIONAL ITEMS YOU MAY NEED...